Home > Products > Bolt > T-Bolt > T informibus quadratum collum fulmine
        T informibus quadratum collum fulmine
        • T informibus quadratum collum fulmineT informibus quadratum collum fulmine
        • T informibus quadratum collum fulmineT informibus quadratum collum fulmine
        • T informibus quadratum collum fulmineT informibus quadratum collum fulmine

        T informibus quadratum collum fulmine

        In T formatum collum quadratum fulmen clarum est ob eximiam eius observantiam et firmitatem. Claustra ex fabrica Xiaoguo® producta diuturna et firma sustentationem praebere possunt. Offerimus ieiunium inventarii item traditio. Etiam si urgenter egeas, tamen postulationibus tuis occurrere possumus.
        Model:JIS B1166-1995

        Mitte Inquisitionem

        depictio producti

        CaputT informibus quadratum collum fulmineest T informibus, collo quadrato infra se connexo, deinde cochleae liciatae. Stricte productus ad normam JB/T 1709-1991, diversis connexionibus requisitis occurrere potest.

        Product detail

        Fulmen adhiberi potest ad fabricam fabricam aptam fabricandam. Possunt labi in extrusionem sulci in quovis situ. Adde bracket et obstringere. Fulmen colli statim coagmentatum esse potest ut quadratum componentium custodiat. Propositum reformari potest sine nova foraminibus exercendis.

        T shaped square neck bolt


        inserere inT informibus quadratum collum fulminein t-informibus socors ostentationis stant pectora. Consilium collo quadratum obstat quominus clausurae durante institutione circumagantur. Cum nuces constringendo vel laxando, positiones singularum partium componi possunt, ita mutato statu figurae et extensionis ostensionis. Caput T informibus et collo quadrato concurrit ut nexum stabilem conexionis stet et impediat ne facile excutiatur.

        Clava colli t-formata quadrata adhiberi possunt ut TRADUCTOR cinguli machinis machinis fabricandis instituatur, quae in artus sulci prolabi possunt. Cum bracket stringeret sprocket, collum claustrum claudet, ita conservans alignment precise in processu tensionis. De misalignment trochleae per rotationem claustrorum corrupta est.


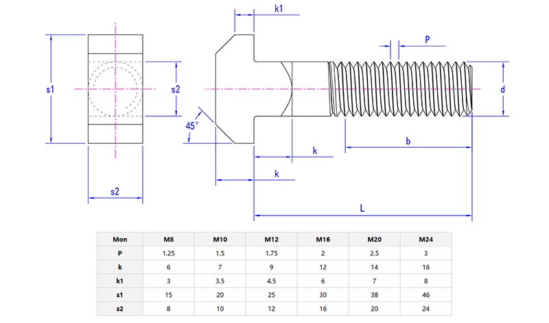
        Product parametri

        T shaped square neck bolt


        Productum venditionis punctum

        ConsiliumT informibus quadratum collum fulminevalde ingeniosus est. Caput T-formatum ad situm et operationem accommodatum est. Collum quadrangulum impedire potest ne fulmen cum nuce constringatur, nexum firmiorem faciens. Nullae artes professionales inter institutionem requiruntur. Utrum productio industrialis sit an vita cotidiana, dummodo opus sit obiecto nexu et fixione, basically usurpari potest.

        Hot Tags: T formatum collum quadratum fulmen, Sina, Manufacturer, Supplier, Factory
        Related Categoria
        Mitte Inquisitionem
        Libenter placet, ut inquisitionem tuam in forma infra exhibeas. Respondebimus tibi in 24 horis.
        X
        Crusulis utimur ut meliorem experientiam pasco tibi praebeamus, situm negotiationis et personalize contentus analyse. Hoc situ utendo, ad nostrum crustulorum usum consentis. Privacy Policy
        Reject Accipe