Home > Products > Bolt > T-Bolt > T Caput Anchoram screw
        T Caput Anchoram screw
        • T Caput Anchoram screwT Caput Anchoram screw
        • T Caput Anchoram screwT Caput Anchoram screw
        • T Caput Anchoram screwT Caput Anchoram screw

        T Caput Anchoram screw

        Vos can reprehendo in altus-qualitas T caput ancoris Cochleas fabricari per Xiaoguo® comitatu in omni tempore. T informibus caput facit facile install in anchoring sulcus. Non possumus varietate magnitudinum eligere. Erit semper esse screw quod decet te.
        Model:CNS 4947-1979

        Mitte Inquisitionem

        depictio producti

        T capite ancoris Cochleas sunt fasteners propter ancora solidamentum, in T informibus caput facit facile ut install in anchoring sulcus.Xiaoguo®Offerre varietate moles eligere. Erit semper esse screw quod decet te.

        Caput T capite anchoram cochlea in figura de T, quae commodius esse quum in correspondentes T informibus sulcus ne ex rotating cum cum constringitur. Cauda screw specialiter disposito firmiter fixa in basi sicut ancora.

        Installation et Application:

        Haec anchoram Cochleas potest esse figere vestigia elevantur fores. Sunt installed citius quam seras. Slide eos in elevari ferro striatus sine ulla fixing instrumenta. Cum installing in CELLA, potest esse coercere cum una parte et libratum cum auxilio scalae. Sunt ad fix gravibus vestigia.

        T Caput Anchor Cochleas potest esse ut pipe sustinet HVAC. Tentorium fistulae in concreto potest salvare aliquot horas. Inserere in unistrut et ICTUS in laquearia cum impulsum screwdriver. Nulla duce foramina non opus. Unum artifex potest perficere installation duo cuneo-informibus ancoras.

        Hi Cochleas sunt ad figere frame in metalla TRADUCTOR. Sunt enim propter fulmen fixation subterraneis fortis tabulis et potest resistere pulvis. Malleus T informibus caput in curvam alveo; Quod relatorum potest capere ad corroded ferro. Et virgam mutare in components in vices omnis XV minutes.

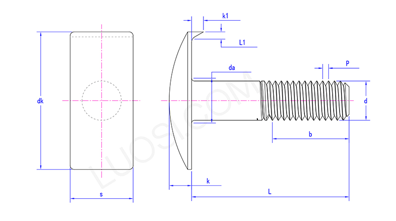
        Parametri:

        Mons M12
        P 1.75
        k 7
        K1 5
        L1 3
        Etiam max 15.2
        dk 55
        s 20


        Product venditionis illud:

        In T caput ancoris Cochleas sunt praecipue firmum in solidamentum et convenient ut install. Is est duo major features: T informibus caput et ancoris munus. Cum installing, potest esse directe inserta in T-socors sine necessitate repetita positio temperatio. Anchoring structuram servat quod Arctter et Arctter in basi et prohibet ex solutione. Et non complex professional instrumenta non requiritur. Praeterea, quod habet amplis applications et potest esse in multis industries et missionibus.



        Hot Tags: T Caput Anchora Screw, Sina, Manufacturer, elit, Factory
        Related Categoria
        Mitte Inquisitionem
        Libenter placet, ut inquisitionem tuam in forma infra exhibeas. Respondebimus tibi in 24 horis.
        X
        Crusulis utimur ut meliorem experientiam pasco tibi praebeamus, situm negotiationis et personalize contentus analyse. Hoc situ utendo, ad nostrum crustulorum usum consentis. Privacy Policy
        Reject Accipe