Home > Products > Pin > Circum ACUS > Princeps tensile Clevis Pins
        Princeps tensile Clevis Pins
        • Princeps tensile Clevis PinsPrinceps tensile Clevis Pins
        • Princeps tensile Clevis PinsPrinceps tensile Clevis Pins

        Princeps tensile Clevis Pins

        Hoc Maximum Tensile Clevis Pin pluribus temporibus disiungi et restitui potest, idoneos reddens pro reuse. Audacter potes iubere Maximum tensile Clevis Pins a Xiaoguo, et experientiam optimam recipies cum qualitate praestita.

        Mitte Inquisitionem

        depictio producti

        Inspectionem certificatorium praebere possumus hisce Excelso tensile Clevis Pin, si opus fuerit. Testimonium praecipuum eventus testium recenset: quod materia conficitur, eius proprietates mechanicas sicut vires et duritiem sunt et omnes rationes criticas recte confirmat. Etiam signa, ut ISO, 2341, productus occurrit.

        Quisque certificatorium est ad massam productionis specificae et numerum singularem habet ut reduci possit. Commentarium illud est quod paxillos ostendit vexillum compescit a materia ad opus perfectum transisse. Cum libellum tuum Maximum Tensile Clevis Pins questus est optio, quae utilis est pro jobs qui formalem chartam requirunt, sive ad usum cottidianum industriae sive ad applicationes magis exigendas.

        High Tensile Clevis Pins

        Product usibus

        Hoc genus acus vulgo coniungi solet in machinis quae rotationem vel pivotionem requirunt. In variis instrumentis industrialibus, saepe uncis, rodis, vel vectibus autocinetis et aliquet in connectere consuevit, adhibetur ad partes suspensionis, ligamenta fregit, machinas gubernat, etc.

        Fundus instrumenti quasi tractor aratris et messoribus utuntur. In aerospace, adhiberi potest pro quibusdam partibus mobilibus in systematis aircraft. Etiam in naviculis, armamentis et quibusdam machinarum partibus invenitur, quia bene loco clausa manet.

        Basically, High tensile Clevis acus habiles sunt ubicunque solido nexu indigentes ut etiam postea seorsim sumere debes, et quae iactationem et usum regularem tractare possunt.

        Q&A Sessio

        Q: Quid est vexillum packaging pro viribus tuis fissuras altas?

        Responsio usitatae cardboard scrinia typice utimur ad involucrum summae roboris fissurae fibulae, et modus pacandi plerumque a magnitudine et quantitate dividitur (exempli gratia 100 frusta per pixidem).

        Pro mole ordinum nos stipant altum robur fissum fibulas in lobortis consectetur posuere et in grabato ad translationem tutandam et faciliorem tractandorum curam ponemus.

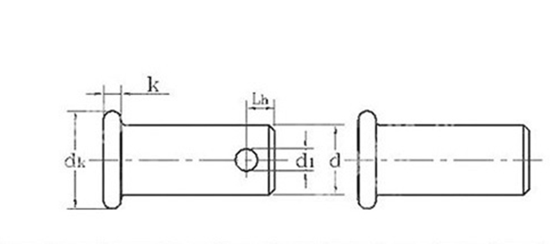
        High Tensile Clevis Pins


        unit:mm
        d max 3 4 5 6 8 10 12 14 16 18 20
        min 2.94 3.925 4.925 5.925 7.91 9.91 11.89 13.89 15.89 17.89 19.87
        dk max 5 6 8 10 12 14 16 18 20 22 25
        min 4.7 5.7 7.64 9.64 11.57 13.57 15.57 17.57 19.48 21.48 24.48
        k nominaL 1.5 2 2.5 3 3.5 4
        max 1.625 2.125 2.625 3.125 3.65 4.15
        min 1.375 1.875 2.375 2.875 3.35 3.85
        d1 min 1.6 2 3.2 4 5 5
        max 1.74 2.14 3.38 4.18 5.18 5.18
        Lh min 1.6 2.2 2.9 3.2 3.5 4.5 5.5 6 6 7 8




        Hot Tags: High tensile Clevis PIN, China, Fabrica, Supplier, Factory
        Related Categoria
        Mitte Inquisitionem
        Libenter placet, ut inquisitionem tuam in forma infra exhibeas. Respondebimus tibi in 24 horis.
        X
        Crusulis utimur ut meliorem experientiam pasco tibi praebeamus, situm negotiationis et personalize contentus analyse. Hoc situ utendo, ad nostrum crustulorum usum consentis. Privacy Policy
        Reject Accipe