Home > Products > Pin > Circum ACUS > CNC Machined Clevis Pins
        CNC Machined Clevis Pins
        • CNC Machined Clevis PinsCNC Machined Clevis Pins
        • CNC Machined Clevis PinsCNC Machined Clevis Pins

        CNC Machined Clevis Pins

        2.CNC machinae Clevis fibulae sunt clavi capite rotundo, clavibus foraminibus muniti et fibulae cotterae vel nuces murrae. Solent communiter coniungere compositiones mechanicas sicut nexus et arma moderari. Xiaoguo's CNC machinae Clevis fibulae sunt CNC machinatae ad curandum ac robur altum, quo fiducia emere potes.

        Mitte Inquisitionem

        depictio producti

        CNC Machined Clevis Pins in fasciculo magnitudinum communium, cum diametris ab circa M3 ad M24 et longitudinibus ab 10mm usque ad 200mm procedentibus, aptabunt foramina maxime. Partes principales sicut capitis magnitudo et scapus longitudinis fiunt ad spectionem solitam.

        CNC Machined Clevis Pins

        Pro diversis jobs diversos gradus habemus. Gradus regularis est ad usum quotidianum et accuratius, cum opus arctius aptum est, sicut in carro vel aircraft. Earum omnes fiunt regulas communes sicut ISO 2341, sic omni tempore idem habebis. Hoc modo significat nostrum CNC Machined Clevis Fibulae fiunt ad operandum cum uncis vexillis et partibus in apparatu maxime.

        Product qualis imperium

        Vexillum quale currit in his CNC Machinatum Clevis acus acus ut recte operantur fac. Quisque mensuratur pro rebus sicut diametri, longitudinis, et ossis collocationis ad certas mensuras rectas. Ipsam quoque materiam experimur ad reprimendam rectam rationem esse et satis validam ac difficilem esse.

        Superficies perspicimus quaslibet fricationes, margines asperas, vel alias notas quae problema esse possent. Omnia secundum communem industriam regulas aguntur sicut ISO 2341. Testimoniorum pro unaquaque massa observamus ut eam postea indagare possimus.

        Postquam per has impedimenta euntes, CNC Machined Clevis acus bonae sunt ut eant pro regularibus negotiis vel applicationes duriores ubi opus est sustentare.

        Q&A Sessio

        Q: Quae signa tua CNC Machined Clevis acus parere?

        A: Vexillum nostrum CNC Machinatum Clevis Clavi fabricantur ad specificationes sicut ISO 2341 vel ANSI B18.8.1. Haec dimensiones constantes efficit pro paxillo diametri, capitis et foraminis, firmans idoneitatem et permutabilitatem in conventibus tuis.

        CNC Machined Clevis Pins


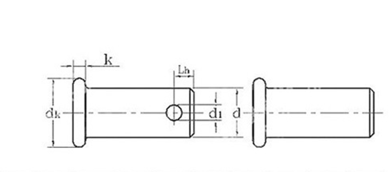
        unit:mm
        d max 3 4 5 6 8 10 12 14 16 18 20
        min 2.94 3.925 4.925 5.925 7.91 9.91 11.89 13.89 15.89 17.89 19.87
        dk max 5 6 8 10 12 14 16 18 20 22 25
        min 4.7 5.7 7.64 9.64 11.57 13.57 15.57 17.57 19.48 21.48 24.48
        k nominaL 1.5 2 2.5 3 3.5 4
        max 1.625 2.125 2.625 3.125 3.65 4.15
        min 1.375 1.875 2.375 2.875 3.35 3.85
        d1 min 1.6 2 3.2 4 5 5
        max 1.74 2.14 3.38 4.18 5.18 5.18
        Lh min 1.6 2.2 2.9 3.2 3.5 4.5 5.5 6 6 7 8



        Hot Tags: CNC Machined Clevis PIN, China, Fabrica, Supplier, Factory
        Related Categoria
        Mitte Inquisitionem
        Libenter placet, ut inquisitionem tuam in forma infra exhibeas. Respondebimus tibi in 24 horis.
        X
        Crusulis utimur ut meliorem experientiam pasco tibi praebeamus, situm negotiationis et personalize contentus analyse. Hoc situ utendo, ad nostrum crustulorum usum consentis. Privacy Policy
        Reject Accipe