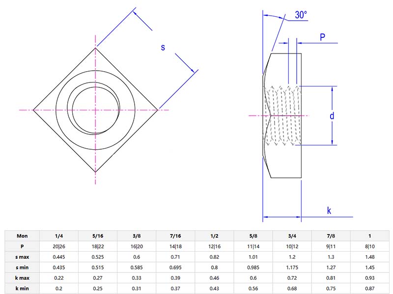
InCibum completum Square NutEst basic, nullum-frills fastener cum magna relatorum (crassa picem) et quadratum figura. Et aspera superficies metam, saepe cadmiae-patella et nigrum cadmiae iactaret, resistit rubigo et tractat lenta jobs.

Si vos postulo utor fulmina in dura environments, tunc vos can sumoCibum complevit Quadratum nut. Et crudum superficiem et tenet melius in sordida vel pinguibus environments, reducendo slippage in tensis. Quadratum nut potest clausum in loco cum clavis vel pliers. Apta machinatione agriculturae apparatu vel constructione. Nulla ludo coating, sicut basic ferro, facile tractare princeps viribus uti.
Mechanica fixing vetus trucks aut tractatores saepe utiCibum complevit Quadratum nutNam rubigo aut fossa. Et aspera superficiem adapts ad laedi relatorum melius quam polita nucis et quadratum figura non per off sub gravibus torque. Magna enim exhauriunt systems, chassis reparationibus, aut aliquid patere uncto et squalore. Sicut crank illud et custodiunt operantes.
Cum agricolae reficere aratra vel irrigationes apparatu, saepe utorCibum complevit Quadratum nutquia facile agunt. Durned superficies efficaciter tractare lutum ne comprimi. Quadratum nucis potest fixum stricta spatia. Etiam cum caestus, potest facile installed usura tantum basic instrumenta. Specimen enim velox reparationibus sine downtime.

| Foro |
Totalis Revenue (%) |
| North America |
15 |
| America Meridionalis |
10 |
| Eastern Europe |
12 |
| Southeast Asia |
10 |
| MID |
7 |
| Orientis Asia |
17 |
| Western Europe |
15 |
| South Asia |
6 |
| Forum |
8 |
Cibum complevit Quadratum nuthabet humilis sustentacionem sumptus. Reprehendo utrum filum est ferrugineos vel cadit off per usum. Si coating attrita, reponere. Si nut est in sal environment, uncto in filum. Vitare super-tensis. Densissima relatorum cadunt off magis quam bene ones.