Home > Products > Welding nuces > iuncta Nut > T Style Weld Nuces Cum Type 1A
        T Style Weld Nuces Cum Type 1A
        • T Style Weld Nuces Cum Type 1AT Style Weld Nuces Cum Type 1A
        • T Style Weld Nuces Cum Type 1AT Style Weld Nuces Cum Type 1A

        T Style Weld Nuces Cum Type 1A

        T style nuces conglutinatae cum type 1A specialiter sunt ad metalla conglutinanda destinata et cum specificatione 1A obtemperant, ut artam aptam efficiant. Apta tabulis metallicis, subsidiis vel instrumentis mechanicis, consilium T informatum adiuvat ad spatium servandum. Officina Xiaoguo® magnam vim bonorum in Stock habet. Possumus etiam customizare et praebere fructus, qui certis necessitatibus occurrent.
        Model:JIS B1196-3.1-2001

        Mitte Inquisitionem

        depictio producti

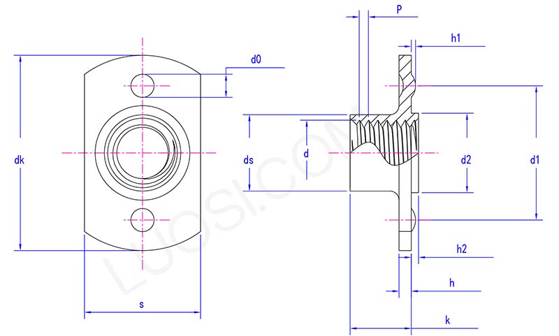
        In T nuces stilo conglutinatae cum typo 1A figuram habent litteram "T" similem, cum fila cylindrica in fundo. Plures sunt parvae prominentiae in laminis, quae specialiter ad glutino designantur. Specificationes communes filorum ab M4 ad M12 vagantur.

        Product parametri

        T style weld nuts with type 1A parameter

        Mon
        M4 M5 M6 M8 M10 M12
        P
        0.7 0.8 1 1|1.25 1.25|1.5 1.25|1.75
        dk max *
        20.5 20.5 23.7 23.7 31 33.2
        dk min
        19.5 19.5 22.3 22.3 29 30.8
        s max
        12.25 12.25 14.3 14.3 19.4 21.5
        s min
        11.75 11.75 13.7 13.7 18.6 20.5
        ds max
        5.9 6.7 8.3 10.2 13.2 15.2
        ds min
        5.4 6.2 7.8 9.5 12.5 14.5
        k max
        5.9 6.9 7.5 9 10.6 11.8
        k min
        5.1 6.1 6.5 8 9.4 10.2
        h max
        1.4 1.4 1.85 1.85 2.3 2.3
        h min
        1 1 1.35 1.35 1.7 1.7
        d2 max
        6.9 6.9 8.9 10.9 12.9 14.9
        d2 min
        6.7
        6.7
        8.7
        10.7
        12.7
        14.7
        h2 max
        0.8 0.8
        0.8
        0.8
        1.2 1.2
        h2 min
        0.6 0.6
        0.6
        0.6
        1 1
        d0 max *
        3.25 3.25
        3.25
        3.25
        4.05 4.05
        d0 min
        2.75 2.75
        2.75
        2.75
        3.55 3.55
        h1 max *
        0.6 0.6
        0.6
        0.6
        0.7 0.7
        h1 min
        0.4 0.4
        0.4
        0.4
        0.5
        0.5
        d1 max
        15.2 15.2
        17.25 17.25 22.3 24.3
        d1 min
        14.8 14.8 16.75 16.75 21.7 23.7

        Product Features and Installation

        T style nuces conglutinatae cum specie 1A pluma structurae T-formatae distinctivam habent. LABIUM contactum cum lamina metallica augere potest, pressionem distribuere, et tutiorem facere glutino. Magnitudo et altitudo glutinis protrusionum in LABIUM eadem sunt, et calefactio est uniformis in processu glutino. Eius filum alta accuratio est. Ubi fulmen in se daturum est, levissime sentit sine vallo aut laxamento.

        T style weld nuts with type 1A

        1A T-typus nuces conglobatae pro figura nominantur: corpus nux hexagonalis in basi rectangula bracteae eccentrice insidet. Genus 1A indicat de arcu glutino (MIG vel TIG) circa marginem flange dispositum. Figura "T" consilium efficit ut lina lina ad desideratum locum ponat, etiam prope marginem ubi centrum nucis inaugurari non potest, et facile obtineri potest.

        Instruendo T style nuces conglutinatas speciei 1A significat ad glutinandum per peripheriam flange rectanguli praestare. Basis nucis 1A genus plana est et nulla perforata aut exsertiones habet. MIG vel TIG uti potes ut globulis continuis globulis in laminis margine creo. Fusio universalis bonum crucialum est quod hoc solum est modus figendi LABIUM. Quaeso metallum prius purgandum.

        1A T genus nuces pugillo cariores sunt quam vulgaresquadrata nuces. Reddere debebis in figura processus LABIUM et adiectis materiis. Sumunt etiam diutius circum flguram recte iuncta. Praesertim ubi stamina positio offset indiget, illis utere; secus regulae nuces viliores esse possunt.

        Hot Tags: T Style Nuces Weld Cum Type 1A, China, Fabrica, Supplier, Factory
        Related Categoria
        Mitte Inquisitionem
        Libenter placet, ut inquisitionem tuam in forma infra exhibeas. Respondebimus tibi in 24 horis.
        X
        Crusulis utimur ut meliorem experientiam pasco tibi praebeamus, situm negotiationis et personalize contentus analyse. Hoc situ utendo, ad nostrum crustulorum usum consentis. Privacy Policy
        Reject Accipe