Home > Products > Bolt > Circum caput fulmen > Confirmatum poculum caput quadrata colli fulmina
        Confirmatum poculum caput quadrata colli fulmina
        • Confirmatum poculum caput quadrata colli fulminaConfirmatum poculum caput quadrata colli fulmina
        • Confirmatum poculum caput quadrata colli fulminaConfirmatum poculum caput quadrata colli fulmina
        • Confirmatum poculum caput quadrata colli fulminaConfirmatum poculum caput quadrata colli fulmina

        Confirmatum poculum caput quadrata colli fulmina

        Velisne mercari poculum confortatum caput quadrata colli fulmina? Claustra officinarum Xiaoguo® additae sunt auctae ad sustinenda onera superiora et vibrationes. Superficies affixa maior est, et serae loco clauduntur ne per institutionem gyrationis fiat.
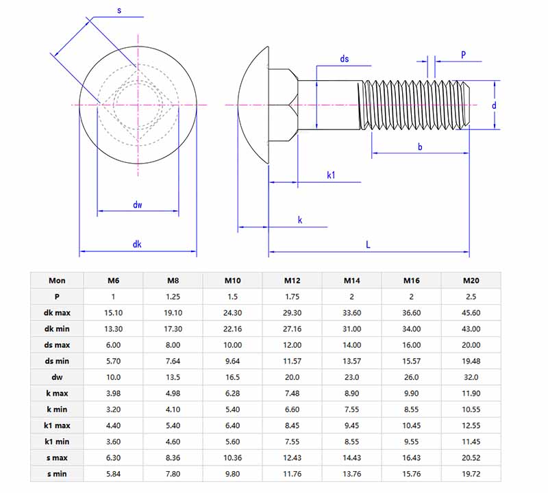
        Model:GB/T 794-1993

        Mitte Inquisitionem

        depictio producti

        Confirmatum poculum caput quadrata colli fulminacalicem informibus caput habent, ut contactum aream augeat et pressionem dispergat. Connexae sunt collo quadrato ne fulmen in institutione circumagatur. Post curationem specialem caloris maiorem contentionem et pressuram sustinere possunt.

        Strengthened cup head square neck bolts

        Product Details

        Eae sunt materiae virtutis altae, sicut chalybeum et mixtura ferri. Post specialem curationem, virtus fulminum valde melior est. In apparatu cum magnis vibrationibus, partes firmiter figere et in continuis vibrationibus non solvendi, stabilis operandi instrumenti procurandi et minuendi numerum et sumptus conservandi.

        Confirmatum poculum caput quadrata colli fulminain apparatu agriculturae sunt. In agro, fundi instrumentum sicut aratra, subjiciuntur gravia impactibus saxis et solo duro. Fulmen tortum collo quadratum scindit in artus efficiendum ac rotationem in usu vehementi prohibet. Prohibet fulmen extendere vel tondere sub oneribus et impactibus communibus in agricultura.

        Pons munire articulis adhiberi potest. Pontes dilatant et contrahunt mutationes temperaturas, et hae fulmina eas in canalibus concretis vel chalybeis firmiter ancorant, resistentes torsionalibus viribus pontis causatis. Hoc periculum deminutio reducit.

         Product parametri

        Strengthened cup head square neck bolts

        Product pluma

        Maxime proprium estConfirmatum poculum caput quadrata colli fulminacaput eorum quadratum collo et calice. Collum quadratum est sicut clavis specialis quae in materia quadrata perfecte quadrat. Munus est in positione et praecavendo conversionem durante institutionem. Cum nucem constringit, collum quadratum in rimam adhaesit et pessulum non gyrat, processus institutionis facilem et efficacem facit. Calix caput aequaliter pressionis distribuere potest. Cum materiae tenuiores figantur, ordinariae fulmina fuluum premunt vel etiam materiae penetrant. Iis uti possunt hanc condicionem vitare et etiam effectum certum augere, nexum tutiorem efficere.


        Product usus instructiones

        Poculum confortatum caput quadratae cervicis ictuum simplicem praeparationem et instrumenta ad institutionem requirunt. Primum, confirma quod fulmen magnitudinis prae-terebratae foraminis et nux respondenti congruit. Conlineare collum quadratum fulmen cum socors in workpiece — haec socors ordinatur ne fulmen in constringendo circumagatur. Tum fulmen in foveam demitte, donec quadratum collum in foramen arcte quadrat. Deinceps clavis utere ad caput, si opus fuerit, cum quadrato collo tenere soleat, et cochleae nucem in stamina manu prima ut lenis dimicatio fiat. Denique utere clavis torques ad obstringere nucem, ut commendatur torques pretii; ne filum damnum super-tensis vitare. Disassemble enim, retrahe vestigia: solve clavis nucem, tolle penitus, e fovea evellere fulmen. Si fulmen ob rubiginem haesit, appone parvam quantitatem ducatus, et expecta paulisper antequam remotionem conaris.

        Product Packaging

        Caput poculi confortatum clavorum colli quadrati fasciculi innixi sunt secundum ordinem quantitatis, ut eas per translationem et repositam tueretur. Minores ordines (plerumque minus quam 1000 frusta) in saccis plasticis perspicuis referti sunt. Singulis saccis signatus est ne pulvis et umor, et intitulatum productis singularibus, ut magnitudo, materia et quantitas. Medii ordines (1000 ad 10,000 frusta) in duris cistas plasticae collocantur cum cellulas divisas. Quaelibet cellula certum numerum fulminum tenet, ne collisio et scalpendi intercedat. Grandes ordines (super 10,000 frusta) utuntur in carbunculis limae exterioris packaging, cum spuma vel bulla involucro intus oblinendo, ut laesiones trahant in transitu. Quisque lobortis signatur cum summa quantitate, productum specificationibus, et batch numerus ad facilem inventarium recognitionem. Clientes postulare possunt custodiarium nativum, ut desiccantes addendo, ne rubigo in ambitibus humidis vel fasciculis notis specialibus utatur. Sumptus packaging in producto pretio pro vexillum optiones comprehenditur, cum nativus packaging additional feodis incurrere potest.



        Hot Tags: Caput poculum roboratum fulmina collum quadrata, Sinis, Manufacturer, Supplier, Factory
        Related Categoria
        Mitte Inquisitionem
        Libenter placet, ut inquisitionem tuam in forma infra exhibeas. Respondebimus tibi in 24 horis.
        X
        Crusulis utimur ut meliorem experientiam pasco tibi praebeamus, situm negotiationis et personalize contentus analyse. Hoc situ utendo, ad nostrum crustulorum usum consentis. Privacy Policy
        Reject Accipe