Home > Products > Nux > Aliae Nuces > Diver signantes Clinching Nut
        Diver signantes Clinching Nut
        • Diver signantes Clinching NutDiver signantes Clinching Nut
        • Diver signantes Clinching NutDiver signantes Clinching Nut
        • Diver signantes Clinching NutDiver signantes Clinching Nut
        • Diver signantes Clinching NutDiver signantes Clinching Nut
        • Diver signantes Clinching NutDiver signantes Clinching Nut

        Diver signantes Clinching Nut

        Xiaoguo® conservat significantes gradus inventarii ad promptam traditionem. Featuring elementum signandi integratum, signatio immaculata nucis nutantis efficaciter impedit fluidum vel gasi ingressum, certas effectus in systematis pressurizatis procurans.
        Model:QIB/IND BS

        Mitte Inquisitionem

        depictio producti

        Immaculata chalybs signatio nucis adhaerentis late adhibetur in industriis quae nexus stamina obsignati in scheda metallica desiderant. Id in clausuris electricas videbis sicut pixides juncturas et repositoria, systemata HVAC (ductus et unitates), partes currus (panellas corporis, brackets fluidos), machinam villam, adfixa fixturas ac apparatum telecomium accendit.

        Superficies curatio processus:

        Ad resistentiam rubiginem adiuvare et varias ambitus congruere, ferro incorrupta signatio nutantis nutantis cum diversis curationibus superficiei venire solet. Communes sunt perspicuae vel flavae zinci platingae (interdum cum chromate passivo trivalente vel hexavalente pro extra tutelam), zinci nickel plating condiciones vere lentas, phosphating ad baculum pingendum vel non-electrolyticum ut Geomet® vel DACROMET® tunicas adiuvat.

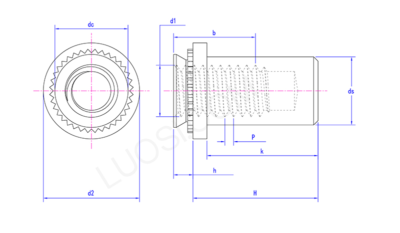
        Mon M3-1 M3-2 M4-1 M4-2 M5-1 M5-2 M6-1 M6-2
        P 0.5 0.5 0.7 0.7 0.8 0.8 1 1
        ds max 3.84 3.84 5.5 5.2 6.35 6.35 8.75 8.75
        dc max 4.2 4.2 5.38 5.38 6.33 6.33 8.73 8.73
        b min 5.3 5.3 7.1 7.1 7.1 7.1 7.8 7.8
        h max 0.91 1.38 0.97 1.38 0.97 1.38 1.38 2.21
        H max 9.85 9.85 11.45 11.45 11.45 11.415 14.55 14.55
        H min 9.35 9.35 10.95 10.95 10.95 10.95 14.05 41.05
        k max 8.5 8.5 9.8 9.8 9.8 9.8 12.7 12.7
        d2 max 6.6 6.6 8.2 8.2 9 9 11.35 11.35
        d2 min 6.1 6.1 7.7 7.7 8.5 8.5 10.85 10.85
        d1 M3 M3 M4 M4 M5 M5 M6 M6

        Obsequium cum industria signa:

        Nostra incorrupta chalybe signantes nuces adhaerentes fiunt ad certae magnitudinum et perficiendi necessitates in signis IR, sicut genera NASM 25027 vel MS25027 fiunt. Dum officinas nostras habet certificationes sicut AS9100 (pro aerospace) vel ISO 9001, IR signantes ipsae partes ferreae nucis immaculatae adhaerentes his spectibus UN aedificatae sunt. Hoc basically significat apta erunt ubi debent, qualitas eadem omni tempore, et habebunt in exigendis negotiis obsignatis, fixa ferro permanente immaculato fixa qui non rimatur.



        Hot Tags: Diver signantes Clinching Nut, Sinis, Manufacturer, Supplier, Factory
        Related Categoria
        Mitte Inquisitionem
        Libenter placet, ut inquisitionem tuam in forma infra exhibeas. Respondebimus tibi in 24 horis.
        X
        Crusulis utimur ut meliorem experientiam pasco tibi praebeamus, situm negotiationis et personalize contentus analyse. Hoc situ utendo, ad nostrum crustulorum usum consentis. Privacy Policy
        Reject Accipe