Home > Products > Nux > Manus stupra The Nux > Circum Knobs et Collarem Rolling Nut
      Circum Knobs et Collarem Rolling Nut
      • Circum Knobs et Collarem Rolling NutCircum Knobs et Collarem Rolling Nut
      • Circum Knobs et Collarem Rolling NutCircum Knobs et Collarem Rolling Nut

      Circum Knobs et Collarem Rolling Nut

      Ad praecisionem motus lineares, elige XIAO GUO progressos circa Knobs cum Collar Rolling Nut. Cochleas pila destinata, motus lenis, summus efficientiae efficit, nobis creditum Sinarum circum Knobs facit cum Collar Rolling Nut supplementum pro CNC et systemata automation.

      Mitte Inquisitionem

      depictio producti

      Primum, perforatum perforatum in scheda metallica quae Round Knobs congruit cum magnitudine Collar Rolling Nut's. Noli nimium magnum foramen facere, aliter recte claudere non potest. Emundare aliquem ramenta metallica in foramine; possent in via institutionis.

      Tum nucem pone in foveam prae-terebratam , faciens certa contra schedam plana sedet . Vexillum torculari instrumento utere cum alea qui verticem nucis aptat. Adhibe stabilis, etiam pressionem ad instrumentum - senties leve "click" cum in loco clausum est. pressionem habe pro 1-2 secundis ut securus sis.

      Malleoli ictus vitare; hoc nucem flectere potest, vel schedae metallum laedere. Optime in tenuibus ad metallum mediae schedae operatur (0.5-2mm crassum). Semel inauguratus, in claustro teres sine nuce nere potes cochleare. Circum Knobs cum Collare Rolling Nut facile est etiam incipientibus uti, nullae perplexae artes necessariae sunt.

      Product Packaging

      Simplex, practica sarcina ad nuces conservandas utimur. Parva ordines vel exempla, in saccis plasticis lucidis refertae sunt, plerumque 100 vel 200 per sacculi frusta. Unusquisque saccus habet labellum fundamentalem cum magnitudine, materia et numero praepostere, ut id quod facile debes invenire possis.

      Mole iubet currus validos inire. Secundum magnitudinem nucis, singulae lobortis 5000 ad 10000 frusta tenet. Spumam aut bullae vestis in medio ponimus, ne eas scalpendo vel currendo in naviculas circumcludamus. In cartons notas perspicuas habent ad tractandum, ut "arentes custodiant" vel "nullae res graves positis."

      Si consuetudo packaging opus est - sicut logo in saccis vel certa quantitas per sarcinas - sicut sciamus quando ordinatio. Nulla extra phantasiam effercio, quid operatur pro repono et naves. In his optionibus vexillum venit, quae maxime parvas officinas, magnas officinas, aut DIY utentium necessitates aptant.

      Round Knobs With Collar Rolling Nut

      Q&A Sessio

      Quae densitas schedae metallicae apta est rotundo Knobs cum Collare Rolling Nut?  

      A:Optimum in tenuibus ad metallum mediae schedae operatur, crassitudine amplis 0,5mm ad 2.5mm. Metallum nimis crassum non proprie claudere, et nimis tenues institutionem deformare possunt. Materiae communes sicut ferrum, aluminium frigidum, et laminae chalybeae immaculatae sunt omnes bene. Modo fac prae-terebrata foraminis magnitudo nucis diametri exterioris aequet - chart magnitudinem praebere possumus, si pro referente opus est.  

      Round Knobs With Collar Rolling Nut

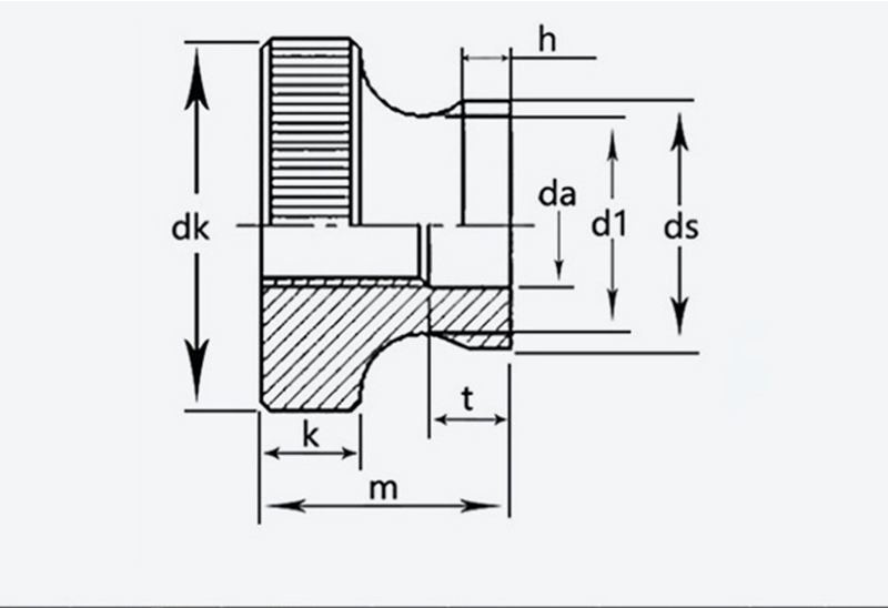
      magnitudine Pix Diameter exterior Altitudo k ds da d1 T h
      max min max min max min max min max
      M3 0.5  11  10.7  6.64  2.8  5.7  3.5  3.2  5.2  1.2 
      M4 0.7  12  11.7  7.64  7.64  4.5  4.2  6.4  2.5  1.5 
      M5 0.8  16  15.7  10  96.6  10  9.64  5.5  5.5 
      M6 20  19.7  12  11.6  12  11.6  6.56  6.2  11  2.5 
      M8 1.25  24  23.7  16  15.6  16  15.6  8.86  8.5  13 
      M10 1.5 30 29.7 20 19.5 8 20 19.5 10.9 10.5 17.2 6.5 3.8
      Hot Tags: Circum Knobs Cum Collarem Rolling Nux, Sinis, Manufacturer, supplementum, Factory
      Related Categoria
      Mitte Inquisitionem
      Libenter placet, ut inquisitionem tuam in forma infra exhibeas. Respondebimus tibi in 24 horis.
      X
      We use cookies to offer you a better browsing experience, analyze site traffic and personalize content. By using this site, you agree to our use of cookies. Privacy Policy
      Reject Accept