Home > Products > Nux > Circum Nux > Subtilitas Notched Slotted Obfirmo circa Nux
        Subtilitas Notched Slotted Obfirmo circa Nux
        • Subtilitas Notched Slotted Obfirmo circa NuxSubtilitas Notched Slotted Obfirmo circa Nux
        • Subtilitas Notched Slotted Obfirmo circa NuxSubtilitas Notched Slotted Obfirmo circa Nux
        • Subtilitas Notched Slotted Obfirmo circa NuxSubtilitas Notched Slotted Obfirmo circa Nux
        • Subtilitas Notched Slotted Obfirmo circa NuxSubtilitas Notched Slotted Obfirmo circa Nux
        • Subtilitas Notched Slotted Obfirmo circa NuxSubtilitas Notched Slotted Obfirmo circa Nux

        Subtilitas Notched Slotted Obfirmo circa Nux

        Subtilitas Notched Slotted Obfirmo circa Nux est maluit solutionem obtinendam ab mechanicis applicationibus specificatam ubi salus est praecipua et tremor inducta resolutio tolerari non potest. Pro certo socio in CLAVIS industriae quae prioritizat qualitatem et servitium, professionales in orbe terrarum fidunt officinas Xiaoguo®.

        Mitte Inquisitionem

        depictio producti

        Testae electronicarum machinarum et servo eculeorum, hae praecisio notched slotted perforatae obfirmatio circum Nucem potest figere tabulas et partes quae sustentationi indigent. Possunt reddi et non ex tremore solvere. Eorum rotundum et humile-profile consilium significat se nullo modo implicatum posse.

        Nam eu nisl adipiscing, pretium ipsum auctor. Ordines supra $5000 liberam traditionis servitium frui possunt. Solent potius uti membrana non-productiva nigra. Bona partus celeriter per centra regionales perficimus.

        Hae nuces ponuntur in saccis anti-staticis tuto et re- signabili ad eas tutandas. Ante sit amet, magnitudinem et crassitudinem liturae compescemus.

        Product Details

        In industria ferriviaria, haec praecisio notched Slotted Obstructio circum Nux magnae significationis sunt pro bogiis et systematibus fixationum vestigiis. Necesse est ut validi tremorem sustinere et onera crebris oneribus occurrere et vires postulare ad longum tempus utendum. Hae nuces secundum signa stricta fabricantur, et praecise mensurae rimae ad faciliorem cautelam ordinantur.

        Pretia competitive praebemus pro imperio et iussa ferriviaria et infringo pro mole emptionibus. Solent curationi oxydatum nigro subiici. Artius cum logisticis professionalibus iunctionibus laboramus ut non solum opportunam bonorum traditionem curemus, sed etiam realem tempus totius logistics catenae vestigia sustentamus.

        IRIS internationalis industria ferriviaria signa certificationis transivit. Quaelibet factorum massa plene investigari potest et quale fundamentum claram habet.

        Anti- corrosio curatio

        Varias curationes superficiei praebemus pro praecisione notched slotted Obstructio circa Nux producta inclusa plating zinci, calidum tinguendo movere, et membranam geometricam. Hae curationes significanter augent corrosionem resistentiae uniuscuiusque praecisio-Notched slotted densis nucis rotundi, ad vitam suam promovendam in provocandis ambitibus. Apta vestis pro tua praecisione-Notched slotted densis rotundis nucis pendet ex condicionibus tuis specificis operationalibus.


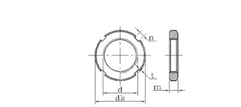
        Precision Notched Slotted Locking Round Nut



        d* P*
        dk m n t 1000

        kg

        d* P*
        dk m n t 1000

        ≈kg
        nax nin max min max min nax min
        M10*1 22 8 4.3 4 2.6 2 16.82 M64*2 95 12 8.36 8 4.25 3.5 351.9
        M12*1.25 25 21.58 M65*2 95 342.4
        M14*1.5 28 26.82 M68*2 100 10.36 10 4.75 4 380.2
        M16*1.5 30 5.3 5 3.1 2.5 28.44 M72*2 105 15 518
        M18*1.5 32 31.19 M75*2 105 477.5
        M20*1.5 35 37.31 M76*2 110 562.4
        M22*1.5 38 10 54.91 M80*2 115 608.4
        M24*1.5 42 68.88 M85*2 120 640.6
        M25*1.5 42 68.88 M90*2 125 18 12.43 12 5.75 5 796.1
        M27*1.5 45 75.49 M95*2 130 834.7
        M30*1.5 48 82.11 M100*2 135 873.3
        M33*1.5 52 6.3 6 3.6 3 93.32 M105*2 140 895
        M35*1.5 52 84.99 M110*2 150 14.43 14 6.75 6 1076
        M36*1.5 55 100.3 115*2 155 22 1369
        M39*1.5 58 107.3 M120*2 160 1423
        M40*1.5 58 109.5 M125*2 165 1477
        M42*1.5 62 121.8 M130*2 170 1531
        M45*1.5 68 153.6 M140*2 180 26 1937
        M48*1.5 72 12 8.36 8 4.25 3.5 201.2 M150*2 200 16.43 16 7.9 7 2651
        M50*1.5 72 186.8 M160*3 210 2810
        M52*1.5 78 238 M170*3 220 2970
        M55*2 78 214.4 M180*3 230 30 3610
        M56*2 85 290.1 190*3 240 3794
        M60*2 90 320.3 M200*3 250 3978

        Hot Tags: Subtilitas Notched Slotted Obfirmo circa Nux
        Related Categoria
        Mitte Inquisitionem
        Libenter placet, ut inquisitionem tuam in forma infra exhibeas. Respondebimus tibi in 24 horis.
        X
        Crusulis utimur ut meliorem experientiam pasco tibi praebeamus, situm negotiationis et personalize contentus analyse. Hoc situ utendo, ad nostrum crustulorum usum consentis. Privacy Policy
        Reject Accipe