Home > Products > Screw > Alia Cochleas > Panel Spring Screw
        Panel Spring Screw
        • Panel Spring ScrewPanel Spring Screw
        • Panel Spring ScrewPanel Spring Screw
        • Panel Spring ScrewPanel Spring Screw
        • Panel Spring ScrewPanel Spring Screw
        • Panel Spring ScrewPanel Spring Screw

        Panel Spring Screw

        Tabula vere cochleae est cingulus integralis, qui laminae tenuissimae riving adfixa est. Cochleae laxatae non cadunt, aptam praebent missionibus quae frequentes disassembly requirunt. Xiaoguo® Factory in retis comprehensivis logisticis possidet, ut reales-tempus bonorum vestigationes et partus lenis obtineat.

        Mitte Inquisitionem

        depictio producti

        Cochleas vernales panel sunt genus speciales CLAVIS. Tensionem stabilis, certae in conventibus servare voluerunt, quae vibrationes, temperaturas mutationes aut onera moventes servare voluerunt. Cochleas regulares dissimiles aedificaverunt in partibus manantibus, plerumque in fullonibus aut filo consilio, quod ver agunt. Hoc adiuvat eos tenere fibulae vim et a laxatione retinere.


        Cochleas Latin ex lassitudine vel relaxatione in his adiunctis praebere possunt, sed UN vere cochleae incedunt. Sunt acri solutione pro lenta nexus mechanica quae constanti pressione et tremore resistentia indigent, quae re vera adiuvat articulos validos et diuturnos in asperis conditionibus retinere.

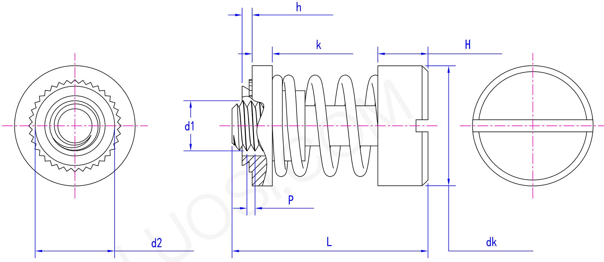
        Product parametri

        Mon 440 632 832 032 0420
        P 40 32 32 32 32
        d1 #4 #6 #8 #10 1/4
        d2 max 0.202 0.218 0.249 0.311 0.374
        dk max * 0.416 0.448 0.478 0.54 0.635
        dk min 0.396 0.428 0.458 0.52 0.615
        h max 0.058 0.058 0.058 0.058 0.058
        k max 0.128 0.128 0.128 0.12 0.148
        k min 0.118 0.118 0.118 0.11 0.138
        H max 0.207 0.207 0.212 0.225 0.247
        H min 0.197 0.197 0.202 0.215 0.237

        Panel Spring Screw


        commoda

        Causae principales ad eligendum tabulam cochlearum vernam sunt quam bene custodiunt preload et cessant vibrationes ab illis solvendis. Quod vere boosts, quam certa et tuta ecclesia tua est. Nonnulli magni pluses indigent ad minus sustentationem faciendum, maiores defectiones in maximis systematibus impediendo, et nummis salvis non eget extra densis rebus sicut nuces vel gluten.


        IR cochleis vernis melius operantur in epulis summus accentus, stabilis clammationis vim in tempore retinens. Eorum callidorum consiliorum communes difficultates quasi fulmen lassitudines et lapsus iuncturam aggreditur. Nam fabrum qui diuturnitatem et salutem curant in carros, planis, machinis industrialibus, hi upgrade non-brabri sunt.


        Quae corrosio resistentia materiae cochleis fabricare solent?

        Q:Quae materiae sunt tabellae cochleae vernaculae typice factae ex resistentia corrosionis?

        A: nostri regulares IR cochleae nafcuntur plerumque ex ferro immaculato, sicut A2 (304) vel A4 (316). Haec contra rubiginem magna operantur in plerisque locis. Si quid aliud opus est, etiam carbonem chalybem facere possumus cum zinci disco vel aliis coatingis, modo sciamus. Enimvero difficiles ambitus, etiam proprium admixtiones Hastelloy afferre possumus. Materia quae carpis afficiet quousque cochleae IR vere durant et quam bene operantur in tuo proprio setup.

        Hot Tags: Panel Spring Screw, China, Manufacturer, Supplier, Factory
        Related Categoria
        Mitte Inquisitionem
        Libenter placet, ut inquisitionem tuam in forma infra exhibeas. Respondebimus tibi in 24 horis.
        X
        Crusulis utimur ut meliorem experientiam pasco tibi praebeamus, situm negotiationis et personalize contentus analyse. Hoc situ utendo, ad nostrum crustulorum usum consentis. Privacy Policy
        Reject Accipe