Nte nylon inserta clausum nuxest a se-obfirmatis densis fastener cum nylon torquem in internum relatorum. Cum autem daturam onto fulmine, nylon seras fila et nut est verisimile solvat facile cum vibrationis vel motus.

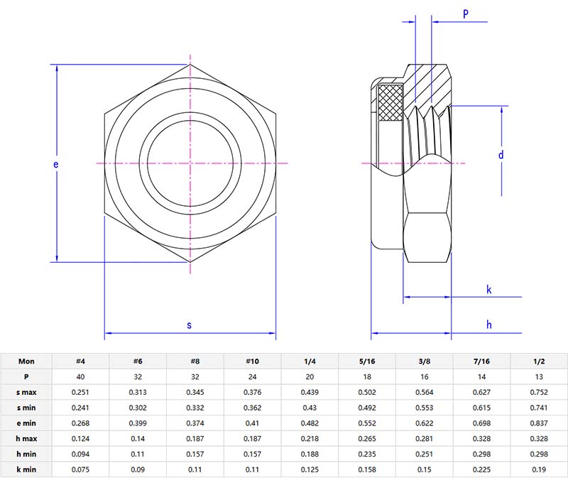
InNte nylon inserta clausum nuxFactus est materiae ut cadmiae, patella ferro vel immaculatam ferro, suus disposito machinatione, vehicles, aut apparatu ubi reliability rebus. Dissimilis iusto nuces,Nte nylon inserta clausum nuxNon eget extra clausum washers vel adhesives, et seras in sua. Est simplex ut install, reusable (intra fines) et operatur in utroque industriae setups et cotidiana reparationibus.
UsuraNte nylon inserta clausum nuxsecure partes moventur moventur. Exempla: Fixum Motorcycle Footpegs, observatio TRADUCTOR balteus scutulis in loco, aut congregans officium chairs cum Novifacta partes. Suus 'etiam habilis in velit apparatu sicut hortum trailers vel cursoriam quatit, ubi bumps et tempestas potuit discoperare vexillum nuces. In domum officinas, suus 'magnum pro fixing wobbly tables aut securitatem potentia tool components quod vibrant in usu.
Youll videreNte nylon inserta clausum nuxIn eget vestibulum (Engine aggeris, suspensionis partium), HVAC systems (securitate fan laminis aut ductwork) et dolor bona sicut baptismata machinarum vel exercitium. Est etiam commune agriculturae machinatione, birycles et electronics ecclesia, usquam vibrationum et frequentes referendo potest solvere iusto nuces.

| Foro |
Totalis Revenue (%) |
| North America |
14 |
| America Meridionalis |
10 |
| Eastern Europe |
16 |
| Southeast Asia |
10 |
| MID |
7 |
| Orientis Asia |
17 |
| Western Europe |
12 |
| South Asia |
6 |
| Forum |
8 |
Xiaoguo® potest customizeNTE Nylon Insert Nucesadseras. Et hexagonal figura denuxVices a vexillum clavis, et nylon intus est gerunt repugnans. Non possum providere exempla, et vos can test an libera samples occursum tuum necessitates ante placing magna ordinem.