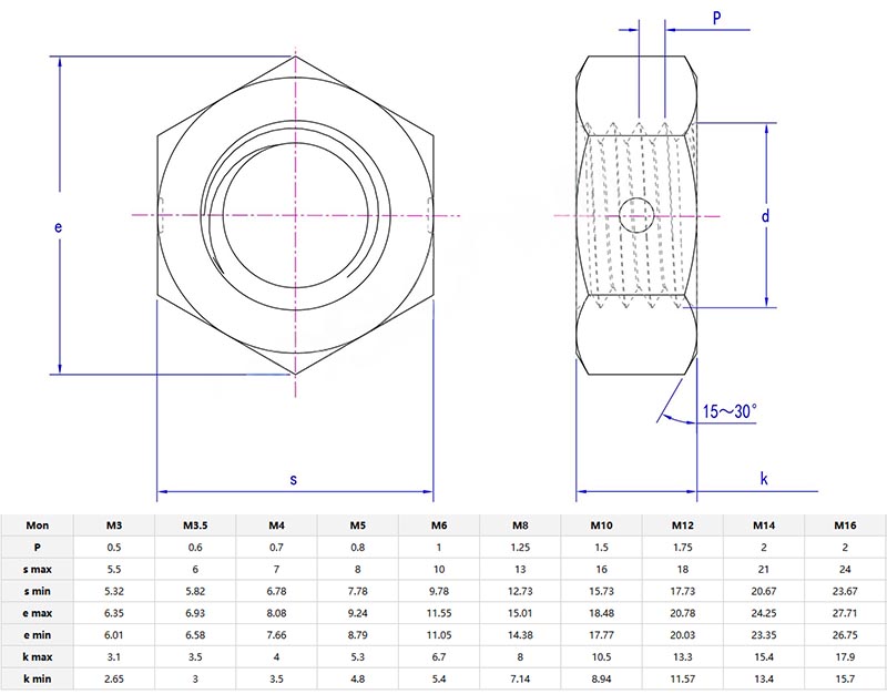
Themetrica omnia metal hex nutdeforme stamina vel coni consilio utitur, quae frictionem efficit ne laxatio fiat. Materia ut Grade 8 chalybe vel A4 immaculata chalybe sunt rubigo resistens et princeps torques sustinere potest. Figura hexagonalis uti potest cum instrumentis metricis vexillum.
Themetrica omnia metal hex nutEst grave officium infixor factus ex metallo (sicut chalybe vel ferro immaculato) ad usum cum fulminibus metricis mediocribus. Figura hexagona eius clavis vexillum aptat, et omnia metalla fabricant auriculas altas aestus, onera gravia, aut ambitus mordaces ubi partes plasticae deficiunt.

Quid eligas metricam omnem hex metallicam nucem?
Themetrica omnia metal hex nutlentus construitur. Omne consilium metallicum temperaturis extremas (sicut systemata exhauriunt) et oeconomiae durae sustinet. Nemo nylon inserit ut liquefaciat vel atterat, torque mox eam deprimat, et ponatur remanens. Reusable pluries si illaesa fuerit, et in oleo vel pinguibus conditionibus operatur ubi aliae nuces labuntur.
Metrica omnis metalli hex nutCommuniter in autocinetis fabricandis (machinis caudices, turbochargers), machinis gravibus (gruibus, pressis) et oleo / gasi instrumentis (pipis, valvis). Officinas eo utuntur ut clibanis calidis utantur, et aerospace utitur ad tabulas caloris resistentes. Poni potest in locis ubi comae plasticae non laborant.
| Market |
Totalis Revenue (%) |
| America Septentrionalis |
15 |
| America Meridionalis |
3 |
| Orientalis Europa |
21 |
| Southeast Asia |
5 |
| Medius Oriens |
5 |
| Asiae orientalis |
15 |
| Western Europe |
17 |
| America centralis |
5 |
| Europa septentrionalis |
6 |
| South Asia |
8 |
Dissimilis nylon-inserere nuces, themetrica omnia metal hex nutnon in magno calore aut in oeconomis degradu tabescet. Plus upfront constat, sed pecuniam in detegere minuendo numerum supplementorum servare potest. Materia evidens est gravium machinarum, machinarum, vel constructionis foris, metallum plus durabile est ubi materia plastica deficit.