Home > Products > Bolt > Caput quadratum Bolt > High Precision Metric Square Head Bolts
        High Precision Metric Square Head Bolts
        • High Precision Metric Square Head BoltsHigh Precision Metric Square Head Bolts
        • High Precision Metric Square Head BoltsHigh Precision Metric Square Head Bolts
        • High Precision Metric Square Head BoltsHigh Precision Metric Square Head Bolts
        • High Precision Metric Square Head BoltsHigh Precision Metric Square Head Bolts
        • High Precision Metric Square Head BoltsHigh Precision Metric Square Head Bolts

        High Precision Metric Square Head Bolts

        High Precision Metric Square Head Bolts are specifically designed for manual tool habc and are easily identifiable by their prominent square head geometria. Sicut dedicatae claviculariorum, Xiaoguo® pretium auctorum offert pro mole ordinum talium qualitatum fulminum, cum aliis generibus fasteners.
        Model:GB/T 8-2021

        Mitte Inquisitionem

        depictio producti

        Gravis est reprimere High Praecisione Metric Square Head Bolts regulariter si vis eas tenere diuturnum-praesertim in magnis locis vel locis ubi in aperto exeunt. Aeruginem quaere, stamina laesa, extensa, vel si caput inflexum est.

        Aliquid lube super eis pones, cum eas in adiutoriis pones, rectitudinem obtine, et eas a rubigine postea detineas. Ad fulmina ferri carbonis: Cum damnum in superficie coating inveniatur, mensurae reparationis capiendae sunt ut prioritas ad integritatem liturae quam maxime restituendam et detectionem turpium materialium et rubiginem vitet. Si vero rubiginosum, vel laesum, vel nimis extensum est, repone ilicet.

        Nam loca rubigine prona sunt, si immaculato ferro uteris, materiam autem rubiginem non facilem, per sustentationis molestiam non debes.

        Product Beneficia

        Excelsa praecisio Metric Quadrati Capitis Repagula sunt utilia in locis in quibus propriae notae materias sunt: ​​carpunt eas melius tenent, inferiores sedent, consilia vetera aequant aut in angustiis operantur. Hex fulmina communiora sunt in modernis setups, sed. Sed in quadrato capite metrico fulmina adhuc materia sunt, quia bene habent cum multum debes obstringere, cum maioribus consiliis operantur, et constructione lignorum bona sunt. Adhuc sunt optio magni momenti et speciales inter cursores metricos - fideles in adiunctis in quibus eorum figura maxime operatur.

        FAQ

        Q: Potesne praebere certificationem materialem (exempli gratia, molendinum Test certificatorium) pro Praecisione Metric Quadrati Capitis Repagula, praesertim pro gradibus 8.8 et altioribus?

        A: Certus. Plenam materiam dociles praebemus pro Praecisione Metric Quadrati Capitis Bolts, sicut Mill Test Testimonia (MTCs) seu Testimonia Conformantia (CoC). Maxime valet pro gradibus superioribus, ut 8.8, 10.9, et ferro immaculata. Hae tabulae depraedabiles ostendunt chemicam rutrum et mechanicas proprietates metricae in capite claustrorum quae nobis suppeditant.

        Morbi condimentum

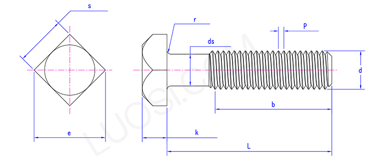
        Mon M14 M16 M18 M20 M22 M24 M27 M30 M36 M42 M48
        P 2 2 2.5 2.5 2.5 3 3 3.5 4 4.5 5
        ds min 12.70 14.70 16.38 18.38 20.38 22.05 25.05 27.73 33.40 39.08 44.75
        ds max 14 16 18 20 22 24 27 30 36 42 48
        e min 26.21 30.11 34.01 37.91 42.9 45.5 52 58.5 69.94 82.03 95.03
        k min 8.55 9.25 11.1 12.1 13.1 14.1 16.1 17.95 21.95 24.95 28.95
        k max 9.45 10.75 12.9 13.9 14.9 15.9 17.9 20.05 24.05 27.05 31.05
        r min 0.6 0.6 0.8 0.8 0.8 0.8 1 1 1 1.2 1.6
        s max 21 24 27 30 34 36 41 46 55 65 75
        s min 20.16 23.16 26.16 29.16 33 35 40 45 53.8 63.1 73.1
        Hot Tags: High Precision Metric Square Head Bolts, China, Manufacturer, Supplier, Factory
        Related Categoria
        Mitte Inquisitionem
        Libenter placet, ut inquisitionem tuam in forma infra exhibeas. Respondebimus tibi in 24 horis.
        X
        Crusulis utimur ut meliorem experientiam pasco tibi praebeamus, situm negotiationis et personalize contentus analyse. Hoc situ utendo, ad nostrum crustulorum usum consentis. Privacy Policy
        Reject Accipe