Home > Products > Nux > Manus stupra The Nux > Princeps Caput Knurled Nuces
        Princeps Caput Knurled Nuces
        • Princeps Caput Knurled NucesPrinceps Caput Knurled Nuces
        • Princeps Caput Knurled NucesPrinceps Caput Knurled Nuces

        Princeps Caput Knurled Nuces

        Integrum futuri motus imperium. XIAO GUO Novissima Caput altae nucis aptatae lineamenta pilae optimized circulationem ad operandi quietiorem et celeritatum altiorem. Placet altum caput knurls nucis eligit machinae generationis proximae.

        Mitte Inquisitionem

        depictio producti

        Shipping costs for High Head Knurled Nuts variant depending on order size and delivery address. Ordines minores typice altiores shipping gratuitas habent. Pro parvis ordinibus, sicut batches specimen vel sub 5000 frusta, tabellariis utimur ut DHL vel FedEx. Sumptus plerumque ab $25 ad $90 vagatur, et partus 3-7 dies accipit. Tabellarum tabellariorum vilius est sed tardius, circiter dies 10-18 sumens.

        Moles ordines supra 10,000 frusta meliores sunt in feugiat vel mari vel aere. Suspendisse mare plus efficax est, sumptus $350-$900 per metrum cubicum, sed XX-XXXV dies sumit. Suspendisse aer velocior est (5-10 dies), sed pluris, circa $6-$9 per kilogramme. Eas recte in transitu damnum vitare debebimus.

        Dic modo ordinem tuum quantitatem et destinationem, ac tibi exactum numerum dare possumus. Abscondita feoda nulla-es tantum ipsas naves sumptus solves. Alte caput knurled's navicularum bene operandi pro parvis exemplis et magna mole empta, diversis budget et temporis necessitatibus congruens.

        Product species characteres

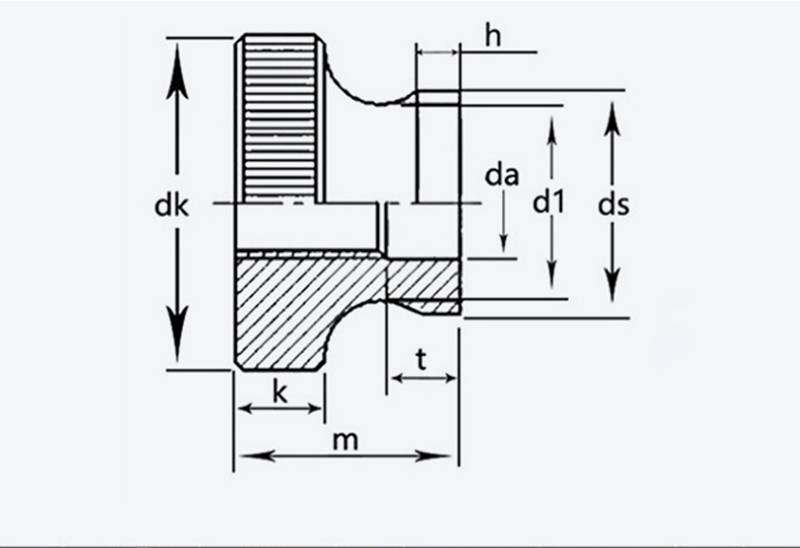
        Formam simplicem cylindricam altiore habet, nullas extra designaulas. Superficies exterior levis est, quae eam in foramina prae-terebrata per institutionem facile aptare adiuvat. Circa unum finem est parva flange - hoc retinet ne per schedam metallicam semel pressam elabi possit.

        Interiorem partem etiam staminum habet, quae communibus magnitudinum fulmine aequant. Fila nimis acuta non sunt, modo apta clauis lenis apta. Alter finis planus est, ut rubor in scheda metallica sedet post institutionem, nullas partes exserit.

        Magnitudo eius parva est, congruens schedae tenuissimae metalli necessariae. Superficies tantum habet tunicam fundamentalem, sicut laminam vel passionem zinci, nullum extra colores vel ornamenta. Forma capitis altae nucis crispae tota est de usu practico, quod facile est instituere et operari cum jobs pro scheda metallica conventus.

        High Head Knurled Nuts

        Q&A Sessio

        Q:Can you customize it with non-vexillum magnitudinum?

        A:Imo, ordines recipimus pro stamina non-vexilla magnitudinum vel diametrorum exteriorum. Vos iustus postulo ut ad nos mitteret vestra singula amplitudo requisita et expectata ordinis quantitas. Tempus productionis consuetudinis ordinis est circiter 15-20 dierum, quod paulo longior est quam normae. Feudum extra modum non est si quantitas 50.000 denariorum superest. Exempla primum tibi mittemus ut ante massam productionis confirmemus.  


        magnitudine Pix Diameter exterior Altitudo k ds da d1 T h
        max min max min max min max min max
        M3 0.5  11  10.7  6.64  2.8  5.7  3.5  3.2  5.2  1.2 
        M4 0.7  12  11.7  7.64  7.64  4.5  4.2  6.4  2.5  1.5 
        M5 0.8  16  15.7  10  96.6  10  9.64  5.5  5.5 
        M6 20  19.7  12  11.6  12  11.6  6.56  6.2  11  2.5 
        M8 1.25  24  23.7  16  15.6  16  15.6  8.86  8.5  13 
        M10 1.5 30 29.7 20 19.5 8 20 19.5 10.9 10.5 17.2 6.5 3.8
        Hot Tags: Princeps Caput Knurled Nuces, China, Manufacturer, Supplier, Factory
        Related Categoria
        Mitte Inquisitionem
        Libenter placet, ut inquisitionem tuam in forma infra exhibeas. Respondebimus tibi in 24 horis.
        X
        Crusulis utimur ut meliorem experientiam pasco tibi praebeamus, situm negotiationis et personalize contentus analyse. Hoc situ utendo, ad nostrum crustulorum usum consentis. Privacy Policy
        Reject Accipe