Home > Products > Nux > Manus stupra The Nux > Princeps Collar Knurled Rolling Nut
      Princeps Collar Knurled Rolling Nut
      • Princeps Collar Knurled Rolling NutPrinceps Collar Knurled Rolling Nut
      • Princeps Collar Knurled Rolling NutPrinceps Collar Knurled Rolling Nut

      Princeps Collar Knurled Rolling Nut

      Obsido in firma accuratione et auxilio. XIAO GUO durabilis High Collar Knurled Rolling Nux aedificata est ad patientiam. Nos fructus nostros cum solido Altissimo Collar Knurled Rolling Nut 2 annis warantizabimus, fiduciam praebentes ac vestram summam dominii sumptus reducendo.

      Mitte Inquisitionem

      depictio producti

      Indigetis consuetudines seu qualitatem inspectionis certificamenti quod te ipsum pro Altissimo Collar Knurled Rolling Nucibus commemorasti, quod gratis praebere possumus cum ordinem tuum ponis. possumus providere gratis, cum ponis ordinem vestrum. Testimonium nullum commentum habet, sicut necessarium basic info.

      Singula quasi massam includit, genus materiae rudis, modum curationis superficiei, et eventus experimentum clavis. Illae probationes accurate, magnitudine constantiae, et corrosio resistentiae notae ab experimentis pertinentibus involucri tegunt. Quisque certificatorium unicum vestigium traeabilitatis habet, ut eius authenticitatem cognoscere potes et singula experimenta, si opus fuerit, inspicias.

      Documentum lingua manifesta utitur, nullis terminis technicis implicatis. Communis industriae signa convenit et pro nautis internationalibus maxime cognoscitur. Modo sciamus te hoc opus esse cum iubendo, et illud cum tuo High Collar Knurled Rolling Nut partus includemus. Nullae extra feoda vel taedium processuum pro hoc servitio.

      Product usibus

      Fila perforata in scheda metallica sine nucibus extraneis maxime addere solebat. Illud invenies in fabricandis electronicis-sicut componentes componentes in casingibus machinis vel tabulas metallicas in computers et impressoribus figendi. Hic laborat quia rubor sedet, extra spatium intra machinas non tollens.

      Etiam in conventu supellectili commune est. Operarii eo utuntur ut uncis metallicis ad tabulas scrinii applicandas vel perscriptorem securum labitur ad cancellos metallicos. In parvis officinis, manus ad morem incepta metallica est, sicut instrumentum edificandi cippi vel crusta metallica quae validis, certis ligationibus indigent.

      DIY fanatici hoc quoque utuntur, ad operas sicut instrumenta metallica reficiendi vel artificia metallica parva faciens. Magnum est in aliquo artificio ubi foramen lina in tenui metallo opus est, sed pactionem facere vel mole magna uti non vis. Altus Collar Knurled Rolling Nut maxime lucet ad medium schedae metallicae ligaturae necessitates accommodatae, nulla extra hassle complicatis instrumentis.

      High Collar Knurled Rolling Nut

      Q&A Sessio

      Q: Quid si aliqua producta sunt deficiens post partum?

      A:Prima accipe imagines vel imagines de fructibus defectivis et eas ad nos intra VII dies accepti mitte. Nos exitum cito reprehendemus. Si problema quale est ex productione nostra, supplementum gratis mittemus. Repositorum navium sumptus a nobis operientur. Raro tales quaestiones habemus quod singulae massae per strictam inspectionem it, sed post-ventiones proprie tractabimus ad vitandum usum tuum affectantes.  

      High Collar Knurled Rolling Nut


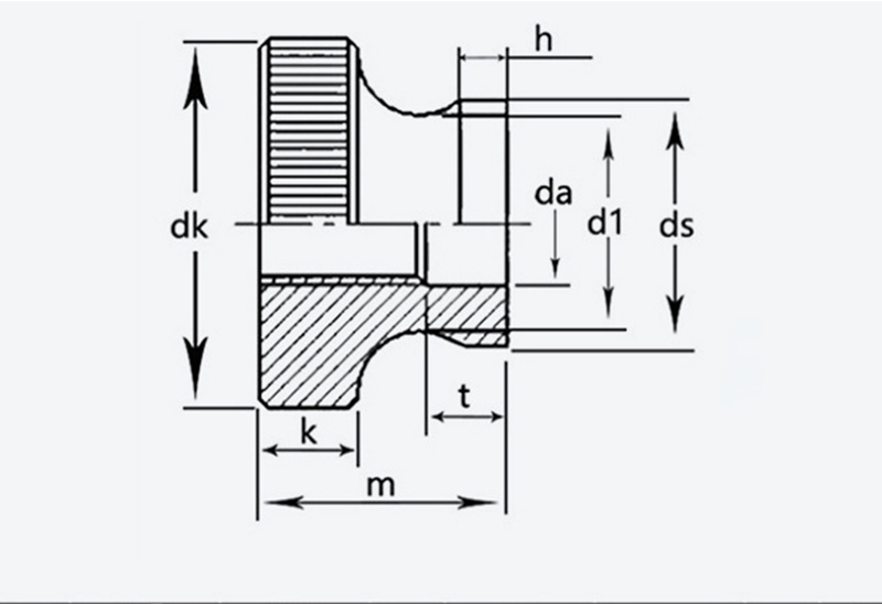
      magnitudine Pix Diameter exterior Altitudo k ds da d1 T h
      max min max min max min max min max
      M3 0.5  11  10.7  6.64  2.8  5.7  3.5  3.2  5.2  1.2 
      M4 0.7  12  11.7  7.64  7.64  4.5  4.2  6.4  2.5  1.5 
      M5 0.8  16  15.7  10  96.6  10  9.64  5.5  5.5 
      M6 20  19.7  12  11.6  12  11.6  6.56  6.2  11  2.5 
      M8 1.25  24  23.7  16  15.6  16  15.6  8.86  8.5  13 
      M10 1.5 30 29.7 20 19.5 8 20 19.5 10.9 10.5 17.2 6.5 3.8
      Hot Tags: Princeps Collar Knurled Rolling Nut, Sinis, Manufacturer, Supplier, Factory
      Related Categoria
      Mitte Inquisitionem
      Libenter placet, ut inquisitionem tuam in forma infra exhibeas. Respondebimus tibi in 24 horis.
      X
      We use cookies to offer you a better browsing experience, analyze site traffic and personalize content. By using this site, you agree to our use of cookies. Privacy Policy
      Reject Accept