Home > Products > Bolt > Hexagon Caput Flange Bolt > Hexagon Caput Flange fulmina
        Hexagon Caput Flange fulmina
        • Hexagon Caput Flange fulminaHexagon Caput Flange fulmina
        • Hexagon Caput Flange fulminaHexagon Caput Flange fulmina
        • Hexagon Caput Flange fulminaHexagon Caput Flange fulmina

        Hexagon Caput Flange fulmina

        Nostri Xiaoguo® prodierunt Hexagon caput fulmina flangae fiunt e qualitate mixturae ferri et caloris curatio et curatio superficiei subeunt. Praestare ieiunium et certae traditionis officium, ut si properas, etiam necessitatibus tuis occurrere possimus. Si sententia opus est, pete nobis.
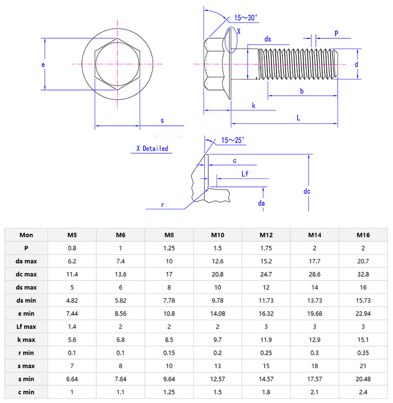
        Model:GB/T 5787-1986

        Mitte Inquisitionem

        depictio producti

        Hexagon caput LABIUM fulminamechanica apparatu vitiosa reparare potest. Patina flaminis, sicut gasket, potest pressuram dissipare et seras ne sub vibratione laxent. Caput hexagonale cum manica vexillum aequari potest, et ferrum gravia onera sustinere potest. Sint facilis ad install.

        Hexagon Head Flange Bolt

        Product applicationes et parametri

        Hexagon caput LABIUM fulminalabile cancelli porticus reparare potest. LABIUM lignis tempestatibus sine causa resilire potest, caputque hexagonum impedire ne etiam pluviis diebus decoriatur. Cum barbecue habentem, nutantibus iam maledictis incumbere non est.

        De anti-solvente observantiahexagonum caput LABIUM fulminavalde bona est. Quia LABIUM et superficies connexa arctius adhaerent et maiorem frictionem habent, anti- laxatio effectus praecipue est. Serae ordinariae gradatim in pulsum in ambitu laxare tendunt, sed fulmen hoc genus nexum "mordere" firmiter potest, firmum nexus componentium procurans.

        Adjumenta adhibita in productione rerum adhiberi possunt. Adhibentur cum magna subsidia comparantia ut armamentaria et machinamenta abluentia. Haec instrumenta domus vibrationes in operatione generabunt. Huius generis fulminis laminae variae partes arctius coniungere possunt, strepitum vibrationum reducere, ac etiam vitae subsidia domestica inservire.

        Hexagon Head Flange Bolts

        Product features

        Hexagon caput LABIUM fulminaidoneitatem apparatu figere adhiberi potest. Aliqua idoneitas fanaticus ad gym ad exercendum. Frequenter utuntur instrumento ut antliam et dapibus exercent, quae multum multum volvunt. Haec fulmina efficiet ut nexus partium instrumentorum sub condiciones usui magno intensione non solvetur. Fac tutiores homines cum exercent.

        Product Material

        Exagonum Caput Flangae fulmina fiunt ex pluribus materiis communibus, quae ad diversos missiones usui aptae sunt. Frequentissimus usus est chalybe carbonis, qui sumptus efficax est et operatur ad applicationes umbraticas generales, sicut partes figendi machinae vel structurae structurae leves. Chalybe immaculata 304 alia optio est, cum bono repugnantia corrosio, ideo specimen est ad ambitus humidos vel usus velit, sicut hortus instrumenti vel institutiones maritimae. Ad altiora vi opus est, stannum chalybs adhibetur. Calor curatus est augere duritiem et vires distrahentes, eamque aptam facit ad grave-officium instrumenti seu structurae magna onera portantia. Quaedam etiam fulmina utuntur ferro immaculato 316, quae melius habet repugnantiam edax quam 304, duris in ambitu industriae vel marinis. Electio materialis maxime pendet in ambitu laborantibus et onere afferendis requisitis.

        Productum translationem sumptibus

        Subvectio sumptus Hexagon Capitis Flangae fulmina variat secundum plures factores practicos. Primo quidem, secundum ordinem quantitatis. Parvae batches onerariae expressae plus per unitatem constabunt, cum magnae molis vecturae per mare vel terram vecturae magis sumptus efficaces sunt. Destinatio etiam pertinet ad sumptus-naves ad regiones proximas vilius est quam diuturno intervallo vel locorum internationalium. Ad naves internationales, additamenta mercedibus moresque onera et assecurationes considerandae sunt, quae in summa translatione gratuita comprehendi solent. Pondus et magnitudo fasciculorum materia quoque est, ut feugiat saepe calculi, utro sit superior inter utrumque. Plerique praebiti singulas sententias praebere possunt secundum quantitatem et electronicam traditionem in certo ordine tuo. Si urgente traditione opus est, naviculas expediendae praesto sunt sed pretium augebunt.





        Hot Tags: Hexagon Caput Flange Repagula, Sina, Manufacturer, Supplier, Factory
        Related Categoria
        Mitte Inquisitionem
        Libenter placet, ut inquisitionem tuam in forma infra exhibeas. Respondebimus tibi in 24 horis.
        X
        Crusulis utimur ut meliorem experientiam pasco tibi praebeamus, situm negotiationis et personalize contentus analyse. Hoc situ utendo, ad nostrum crustulorum usum consentis. Privacy Policy
        Reject Accipe