Home > Products > Bolt > Hexalobular Partes Pan Sera > Hexagon capite fulmina cum parva LABIUM
        Hexagon capite fulmina cum parva LABIUM
        • Hexagon capite fulmina cum parva LABIUMHexagon capite fulmina cum parva LABIUM
        • Hexagon capite fulmina cum parva LABIUMHexagon capite fulmina cum parva LABIUM
        • Hexagon capite fulmina cum parva LABIUMHexagon capite fulmina cum parva LABIUM

        Hexagon capite fulmina cum parva LABIUM

        Xiaoguo maxime ordines sunt parati in 2-4 weeks, cum express options ad urgente neesse.The modo Hexagon caput seras cum parva LABIUM sunt disposito lets eos tractamus magis tortuosa. Quod facit ea sicut res ad jobs ubi vos postulo ut cingulo rebus stricte, ut in machinatione, dolor electronics, aut cum collocatione partium.
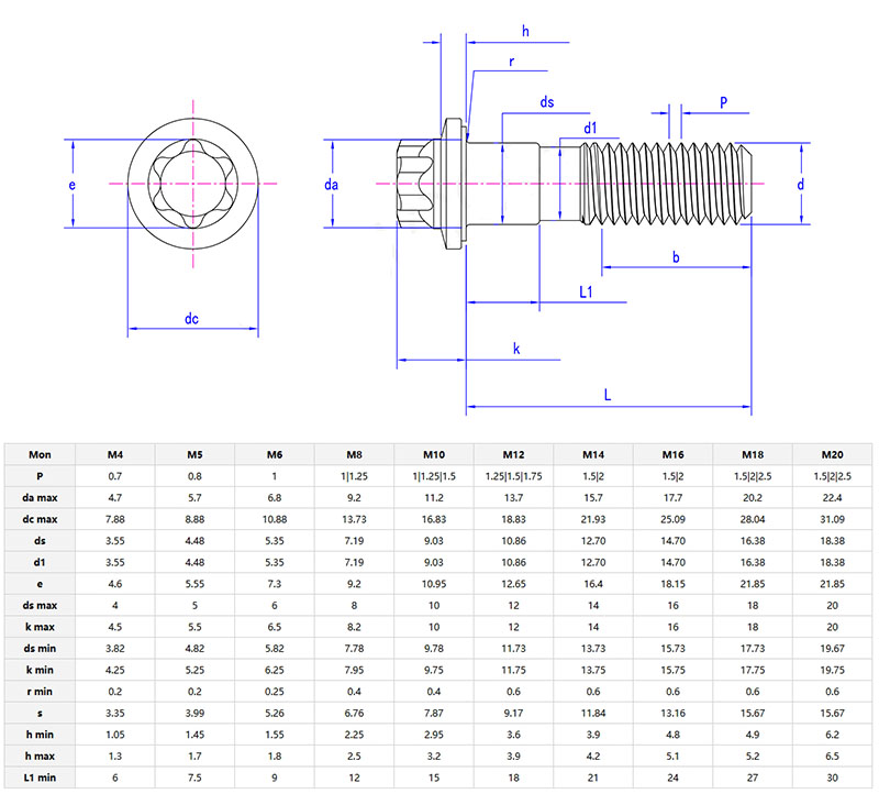
        Model:GOST R52854-2007

        Mitte Inquisitionem

        depictio producti

        Hexagon capite fulmina cum parva flange fiunt a vere bona materiae. Ibi est immaculatam ferro (sicut A2 / A4), Alloy Steel et Titanium. Haec magna statera inter fortes et non gravi.

        Stainless ferro sunt super bonum non rimit. Sunt iustus in locis sicut per mare vel extra. Alloy Steel Cochleas plerumque adepto succendens et tractata ad eos vere fortis ad gravibus jobs. Titanium Alloy Cochleas sunt lux et fortis, in obiecti ut elit.

        Hexagon capite seras cum parva LABIUM potest esse factum de diversis materiae secundum diversas industria requisita et signa, ut Iso (XIV) DLXXIX et Laudate (VII) CMLXXXV. Xiaoguo® manufacturer elige in products in opere occurrere et in opere.


        Applicatio

        Hexagon capite fulmina cum parva LABIUM sunt realiter momenti in locis, ubi vos postulo ut cingulo res vehementer in lenta conditionibus.

        In faciens cars, ipsi erant 'solebat habere engine partes et intus tabulata in loco. Electronics makers numerare eos ad invicem circuitus tabulas et parva cogitationes pressius. In aerospace agro, lux sed fortis consilio perfectus aedificationem elit structuris.

        Construction operarios uti Hexagon capite seras cum LABIUM in calefactio, evacuatione, et aer valetudo systems et machinatione quia non agitare solvere facile. Etiam sicut stat et supellectilem ut utimur quotidie haec Cochleas. Facit facile ponere et durabile. Quorum usum tot diversis industries sicut ostendit quomodo bene fieri omnes necessitates.



        Hexalobular head bolt with large flange

        Hexalobular head bolt with large flange



        Faq

        Q: can hexagon capite seras cum parva LABIUM esse amet pro specifica corrosio, repugnans environments?

        A: Yeah, Hexagon capite seras cum parva LABIUM potest fieri cum speciali coatings sicut cadmiae-nickel plating aut Dacromet coating. Si vos erant 'opus in re lenta loca sicut per mare vel in eget officinas, vos can quoque uti A4 immaculatam ferro ones. Nam super calidum et frigus locis, in Xylan®-iactaret Hexagon capite seras cum parva LABIUM potest tractare temperatus melius.

        Vos can quoque adepto consuetudinem filo filo, sicut denique aut crassum ones, et diversis longitudines apta necessitates. Hi Cochleas probentur cum ASTM B117 salis imbre test facere certus non rubigo facile. Utrum tibi aedificaretur offshore rigs aut ponendo in HVAC systems, Hexagon capite seras cum parva LABIUM et tempus diu.



        Nostrum foro distribution

        Foro
        Revenue (Previous Anno)
        Totalis Revenue (%)
        North America
        Secreto
        25
        America Meridionalis
        Secreto
        2
        Eastern Europe
        Secreto
        16
        Southeast Asia
        Secreto
        3
        Africa
        Secreto
        2
        Oceania
        Secreto
        3
        MID
        Secreto
        16
        Orientis Asia
        Secreto
        17
        Western Europe
        Secreto
        8
        Central America
        Secreto
        1
        Europa
        Secreto
        1
        Southern Europa
        Secreto
        3
        South Asia
        Secreto
        7
        Forum
        Secreto
        8


        Hot Tags: Hexagon capite seras cum parva LABIUM, Sina, manufacturer, elit, officinam
        Related Categoria
        Mitte Inquisitionem
        Libenter placet, ut inquisitionem tuam in forma infra exhibeas. Respondebimus tibi in 24 horis.
        X
        Crusulis utimur ut meliorem experientiam pasco tibi praebeamus, situm negotiationis et personalize contentus analyse. Hoc situ utendo, ad nostrum crustulorum usum consentis. Privacy Policy
        Reject Accipe