Home > Products > Bolt > Hexagon Caput Flange Bolt > Hexagon fulmina Cum Flange
        Hexagon fulmina Cum Flange
        • Hexagon fulmina Cum FlangeHexagon fulmina Cum Flange
        • Hexagon fulmina Cum FlangeHexagon fulmina Cum Flange
        • Hexagon fulmina Cum FlangeHexagon fulmina Cum Flange

        Hexagon fulmina Cum Flange

        Exagona fulmina cum LABIUM ab Xiaoguo® producta fidentur a clientibus toto orbe terrarum. Arcta moderatio per totum processum producendi effecta est. Si de pretia quaerere velis, pete nobis.
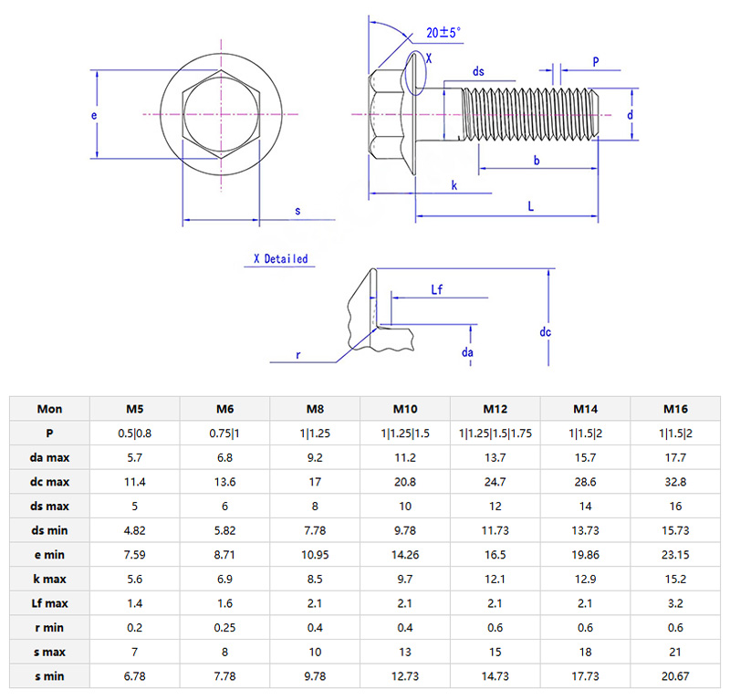
        Model:ISO 15071-1999

        Mitte Inquisitionem

        depictio producti

        Sub thesexangulae fulmina cum LABIUMest LABIUM sicut circulus. Seras dat peculiares partes agere cum rebus connectendis. Hoc genus fulmine pluribus in locis munus agere potest, ubi nexus necessarii sunt relative alti.

        Hexagon Bolts With Flange

        Applications et parametri

        Sexangonis fulmina cum LABIUMpotest ne pluvia et rubigo. Curatio superficiei fovendi tinguendi causa uti potest ad sepibus, vineis vel tabulatis cryptoportis. Finge laminae impedire possunt quominus in ligno vel tenui metallo clausurae adhaesit nec curationem expolitio requirit. Apta diam aedificia sunt.

        In pulverulentis officinis et praediis usus est. LABIUM serratum firmiter iuncturam ferrugineam tenere potest, et caput hexagonum ne sub torquibus altis decidet. Obtrectatoribus uti possunt, frumenti silos et cautes gravis officiorum.


        LABIUM LABIUM incrassatum compages integratur adsexangulae fulmen in LABIUMconiungens incessus characteres capitis hexagonis cum axiali functione dispersionis onere. Motorum industrialium exemplum sume. Vibrationes in operatione generatae facile indumentum frendens vel preload attenuationem traditorum fasteners causare possunt. Caput LABIUM hexagoni fulmen efficaciter potest transmissionem energiae vibrationis supprimere ad connexionem interfaciei per effectum debilitantem laminae flange et optimizationem pressionis distributionis in superficie contactus.

        Hexagon Bolts With Flange

        Productum venditionis punctum

        Maximus venditionis punctumsexangulae fulmina cum LABIUMquod nexum stabilem et pressionem efficaciter dissipare potest. Contactum aream augent cum objectis connexis. Cum coarctatur, vis aequaliter distribui potest, nexum tutiorem faciens et damnum ad materiam reducens. Validiorem facultatem habet vibrationi resistendi.


        Hot Tags: Hexagon fulmina cum Flange, Sinis, Manufacturer, supplementum, Factory
        Related Categoria
        Mitte Inquisitionem
        Libenter placet, ut inquisitionem tuam in forma infra exhibeas. Respondebimus tibi in 24 horis.
        X
        Crusulis utimur ut meliorem experientiam pasco tibi praebeamus, situm negotiationis et personalize contentus analyse. Hoc situ utendo, ad nostrum crustulorum usum consentis. Privacy Policy
        Reject Accipe