Home > Products > Bolt > Exagonum caput fulmine > Dimidium PM sexangulae fulmen
        Dimidium PM sexangulae fulmen
        • Dimidium PM sexangulae fulmenDimidium PM sexangulae fulmen
        • Dimidium PM sexangulae fulmenDimidium PM sexangulae fulmen

        Dimidium PM sexangulae fulmen

        Fulmen sexangulum dimidiatum stamineum est fulmen cum capite hexagonali regulari et una tantum sectione staminea in parte cochleae. Si vis eam emere conformem vexillo BS 916-1953, Xiaoguo® pretium tibi aliquando referre potest. Claustra ex officina nostra producta sunt magni pretii et viles, ac simul necessitatibus tuis occurrentes. Si nunc opus est, servire tibi possumus.
        Model:BS 916-1953

        Mitte Inquisitionem

        depictio producti

        Providere possumusmedium staminea sexangulae fulmenin Stock. Nostra producta experiri potes. Nostra fulmina sunt facilia inaugurare et durare. Pretium nostrum album communicare possumus et quale productum potest eligere quod tibi decet.


        Product Details et parametri

        Dimidium staminea sexangulae fulmennon adepto adhæsit vel lapsus cum constringantur. Probationes stricte subeundae sunt et sine vestitu repetitis servationibus sustinere possunt. Earum superficies oxydatum nigro obductis, quae efficaciter minui rubiginem impedire possunt et valde aptae sunt partibus mechanicis quae interdum aptandae sunt. Possunt convenire TRADUCTOR cingula, sarta tecta agriculturae etc.

        Hoc genus fulminis opus est idoneum, qui regularem disconsionem et coagmentationem requirit. Fila subtilia sunt sed non nimis aspera, ideo non opus est de filo misalignment cum partibus calibratis solliciti. Mechanica illis uti placet ad conservationem instrumentorum machinalium quae regularem sustentationem requirunt, cum amantes iis utuntur ad adfixam supellectilem seu officinam congregandam. Superficies nigra efficaciter adipe et sordibus operire potest.


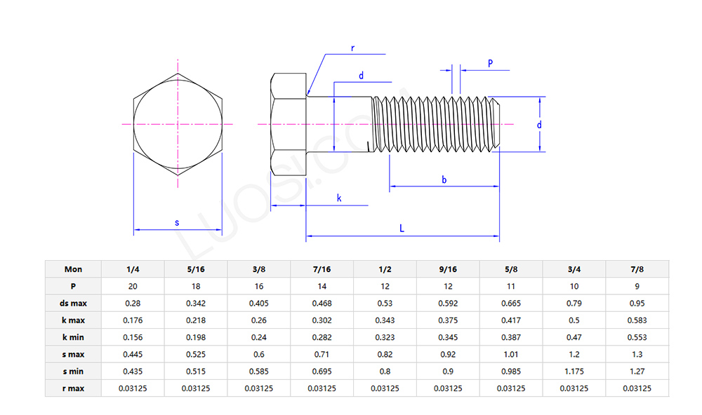
        Half threaded hexagonal bolt parameters


        Umquam telum spoliavit aliquid ad adjust conatur?

        Cochlea demedium staminea sexangulae fulmendimidium tantum filum, quod presso clavis erumpere non facile est. Consilium sequela est et firma et facilis ad operandum, ad constringendum et solvendum opportunum. Apta est locis quae frequentem sustentationem requirunt sicut soleatus et compressores in instrumento industriae, necnon crusta quae in futuro domi reordinari possunt.


        Hot Tags: Dimidium Threaded Hexagonum fulmen, Sina, Manufacturer, Supplier, Factory
        Related Categoria
        Mitte Inquisitionem
        Libenter placet, ut inquisitionem tuam in forma infra exhibeas. Respondebimus tibi in 24 horis.
        X
        Crusulis utimur ut meliorem experientiam pasco tibi praebeamus, situm negotiationis et personalize contentus analyse. Hoc situ utendo, ad nostrum crustulorum usum consentis. Privacy Policy
        Reject Accipe