Home > Products > Bolt > Circum caput fulmen > Plana capite seras
        Plana capite seras
        • Plana capite serasPlana capite seras
        • Plana capite serasPlana capite seras
        • Plana capite serasPlana capite seras

        Plana capite seras

        Xiaoguo® Company providet customized plana caput seras. Vos tantum postulo ut dicam nobis magnitudine, superficiem curatio, materia, drawings, etc of uber. Nos offerre tibi optime quotation. Vos can contact us in omni tempore.
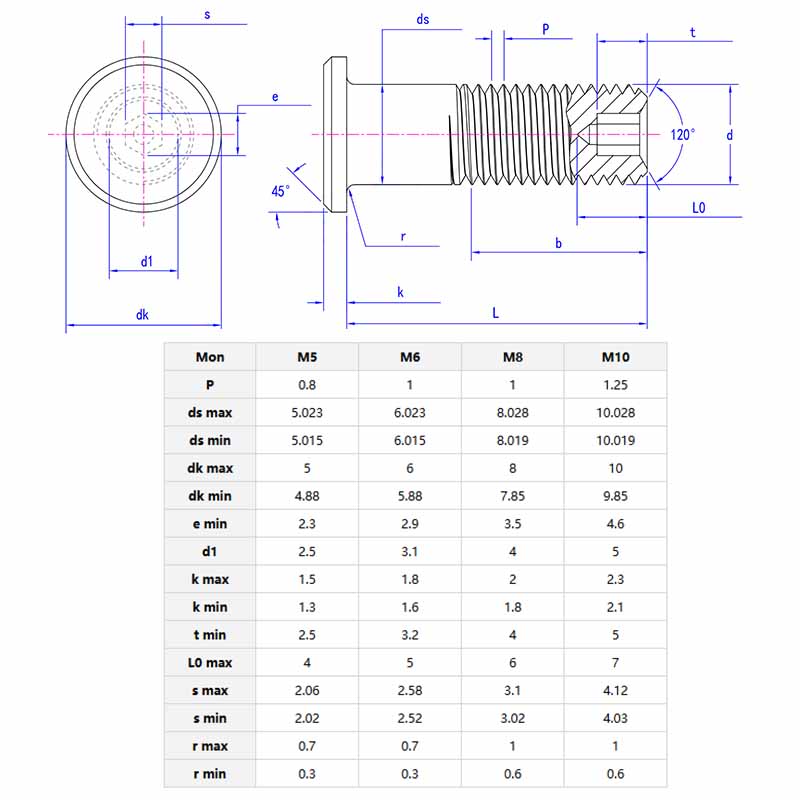
        Model:GJB 134.4-1986

        Mitte Inquisitionem

        depictio producti

        CaputPlana capite serassunt plana. Post installation, quod potest esse solet cum superficies certa materia sine prominente fragmen. Altiore superficies est secundum quid flat. Et cochlea est fila. Magnitudine cubits diversa vndique a minor M3 ad maius M20, etc.

        Flat head bolts

        Product Details


        Et fulmine adhibetur ad installing supellectilem hardware. Sunt usus cum installing occultatum cardines aut drawer labitur in cabinets. Potest plene embedded in lignum vel particleboard absque relinquens aliquo prehenderit partibus capere vestimenta sua.

        InPlana capite serassunt enim medicinae apparatu tabulata. In medical trolleys vel imaginatione apparatu, inspectionem panel requirit firm et lenis fasteners. Plana imperdiet potest ne caestus aut chirurgicam lacrimis et facile mundum.

        Potest adhiberi ad sustentationem et instaurabo industriae apparatu. Quidam ex components of magna-scale mechanica apparatu in officinas potest postulo ut reponi per operationem debitum ad rationes ut vibrationis et gerunt. Cum reinstalling his components, ut can not firma installation, sine afficiens altiore operationem apparatu et meliorem productionem efficientiam.


        Productum parametri

        Flat head bolts

        Product venditionis illud

        SuperficiesPlana capite serasquae plana firmiter fixum. Post installation, quod est rubor cum materia superficies, quod est tam pulchra et non intermixti cum aliis items. Post hunc modum non facile discoperiet sub vibratione et vim. Ut in solidamentum supellectilem superficiebus et electronic fabrica casings, possunt in occursum de requisitis.

        Hot Tags: Flat Caput Serinæ, Sina, Manufacturer, elit, Factory
        Related Categoria
        Mitte Inquisitionem
        Libenter placet, ut inquisitionem tuam in forma infra exhibeas. Respondebimus tibi in 24 horis.
        X
        Crusulis utimur ut meliorem experientiam pasco tibi praebeamus, situm negotiationis et personalize contentus analyse. Hoc situ utendo, ad nostrum crustulorum usum consentis. Privacy Policy
        Reject Accipe