Home > Products > Riveting partes > Plastic Rivet > Expanding Rivet Clips ventilabis Type
        Expanding Rivet Clips ventilabis Type
        • Expanding Rivet Clips ventilabis TypeExpanding Rivet Clips ventilabis Type
        • Expanding Rivet Clips ventilabis TypeExpanding Rivet Clips ventilabis Type
        • Expanding Rivet Clips ventilabis TypeExpanding Rivet Clips ventilabis Type
        • Expanding Rivet Clips ventilabis TypeExpanding Rivet Clips ventilabis Type
        • Expanding Rivet Clips ventilabis TypeExpanding Rivet Clips ventilabis Type

        Expanding Rivet Clips ventilabis Type

        Xiaoguo® commeatus fasteners ad varias regiones industriales. Dissimiles fibulae metallicae, dilatatio clipeorum clavi genus dis resistentiam praebet optimam repugnantiam ad corrosionem et insulationem electricam.
        Model:Q 692.1-1999

        Mitte Inquisitionem

        depictio producti

        Materia basis iam bene munit, sed quaedam superficies curationes facere possunt dilatationem infigendam clips dis generis melioris.

        Colorem addit per pigmenta masterbatch cum corona communis est, adiuvat ut diuersas magnitudines uel species facile discernat. Quaedam genera stabilimenta in UV aedificaverunt, quae ad longum tempus usui bene laborant.

        fibulae metallicae dissimilis, acum scissurae corporis plastic electroplatando vel movere non indiget. Ipse principalis polymerus resistentiae naturalis satis habet ad ambitum tractandum.

        Praesto magnitudinum

        Magnitudo divulgationis in rivet clips dis type plerumque per diam et longitudinem scapus datur. Sequuntur normae magnitudinum metricae, ut 2mm*20mm, 3mm*30mm vel imperiales, ut 1/16" *3/4", 3/32"*1".

        Discidium consilium dat aliquid flexibilitatem, ut parvas differentias foraminis magnitudinum aptare possit.

        Veniunt in variis diametris et longitudinibus, id quod operantur multas necessitates et conventum ponderis diversorum crassitudinum.

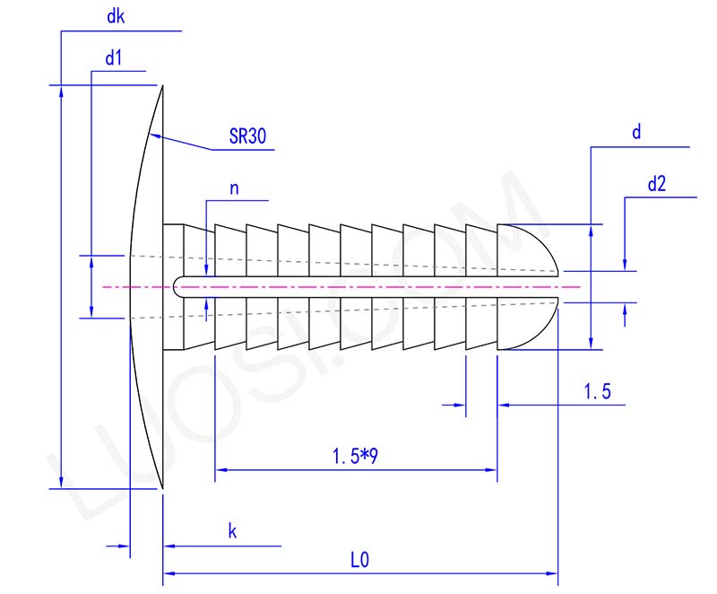
        expanding rivet clips push type parameter

        Mon
        Φ6 Φ8
        Φ10
        d max
        6 8 10
        d min
        5.8 7.8 9.8
        dk max *
        16.2 16.2 18.2
        dk min
        15.8 15.8 17.8
        k max
        1.6 1.6 2.1
        k min
        1.4 1.4 1.9
        L0
        20 20 22
        d1
        3 4 5
        d2
        1.5 2 3
        n
        1
        1 1.5

        Corrosio repugnans

        Q:Quomodo resistentia corrosionis tuae dilatationis infixae clip dis genus comparatur ad fibulas cotteras metallicas, praesertim in ambitus asperos vel marinos?

        A: nostri expandentes infigendam clips dis genus non aerugo vel exedunt. Acus metalli cotterae susceptibiles sunt rubiginem, corrosionem et potentiam adversae reactiones cum aliis metallis. Nostra autem versio plastica non caret humore, spuma salis, variis oeconomiae et acidis et alcali solutionibus.

        Sic perfectum est pro locis ubi materia plerumque metallis exedit. Cogita lintres (supellex marina), plantae chemicae, calces velit, usquam corrosio capitis est. Basically, expansion infigendam clip dis genus diutius durat et certa manet. Paxillos non comprehendes aut debilitaris propter ambitum qui in illis es.


        Hot Tags: Expanding Rivet Clips ventilabis Type, Sinis, Manufacturer, supplementum, Factory
        Related Categoria
        Mitte Inquisitionem
        Libenter placet, ut inquisitionem tuam in forma infra exhibeas. Respondebimus tibi in 24 horis.
        X
        Crusulis utimur ut meliorem experientiam pasco tibi praebeamus, situm negotiationis et personalize contentus analyse. Hoc situ utendo, ad nostrum crustulorum usum consentis. Privacy Policy
        Reject Accipe