Carbon Steel signantes clinching nuces sunt genus fastener propter connectens tenuis laminas vel sheet metalla. Fieri ex ipsum ferro, temperari et extinguetur ad augendam duritiam, et superficies est galvanized vel aliter factum corrosio repugnans.
Et signantes clinching nut est pulchellus directus, vos can utor vexillum pneumatic vel hydraulicis clinching tools. Ecce quomodo operatur: primo, posuit in nucis in pre-punchuncht foraminis, tunc utor a ferrum et mori posuit ad applicare pressura. Et morietur in sheet metallum circa nucis clinch torquem, formatam solidum mechanica cincinno in unum velox gradum.
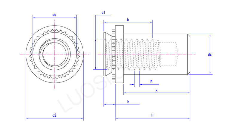
| Mons | M3-1 | M3-2 | M4-1 | M4-2 | M5-1 | M5-2 | M6-1 | M6-2 |
| P | 0.5 | 0.5 | 0.7 | 0.7 | 0.8 | 0.8 | 1 | 1 |
| Ds max | 3.84 | 3.84 | 5.2 | 5.2 | 6.35 | 6.35 | 8.75 | 8.75 |
| DC max | 4.2 | 4.2 | 5.38 | 5.38 | 6.33 | 6.33 | 8.73 | 8.73 |
| B min | 5.3 | 5.3 | 7.1 | 7.1 | 7.1 | 7.1 | 7.8 | 7.8 |
| H max | 0.91 | 1.38 | 0.97 | 1.38 | 0.97 | 1.38 | 1.38 | 1.38 |
| H max | 9.85 | 9.85 | 11.45 | 11.45 | 11.45 | 11.45 | 14.55 | 14.55 |
| H min | 9.35 | 9.35 | 10.95 | 10.95 | 10.95 | 10.95 | 14.05 | 14.05 |
| k max | 8.5 | 8.5 | 9.8 | 9.8 | 9.8 | 9.8 | 12.7 | 12.7 |
| D2 max | 6.6 | 6.6 | 8.2 | 8.2 | 9 | 9 | 11.35 | 11.35 |
| D2 min | 6.1 | 6.1 | 7.7 | 7.7 | 8.5 | 8.5 | 10.85 | 10.85 |
| D1 | M3 | M3 | M4 | M4 | M5 | M5 | M6 | M6 |
Carbon Steel signantes clinching nuces sunt defined per clavem mensuras: Thread Size (sicut M4, M5, M6, aut 1/4, summa et max). Vos can adepto in vexillum metricae aut imperatoria fila.
Et clinch vires (quam bene resistere non impulit ex aut retorta) probatur contra industriam signa (puto ISO, Laudate, ifi). Picking dextrum magnitudine est magnus paciscor, facit certus in sigilli tenet et nut est fortis ad officium.
Ut install in ipsum Steel signantes clinching nut, vos postulo specialized clinching instrumentum et mori set quod prorsus aequet nut in magnitudine. Primo posuit in prior puncta foraminis in sheet metallum. Tum quod instrumentum habet imperium pressura, quae facit nucis gubernator et Knurl descendat in circuitu metallum. Hoc frigus-formatam processus seras in immaculatam ferro nut in locum bonum et simul, quod lushes aedificatur, in signans washer adversus panel. Quod suus 'quomodo gignit ad Leak-probationem sigillum quod facit hos nuces unique.
