Home > Products > Bolt > Exagonum caput fulmine > BS Niger Hex clutis
        BS Niger Hex clutis
        • BS Niger Hex clutisBS Niger Hex clutis
        • BS Niger Hex clutisBS Niger Hex clutis

        BS Niger Hex clutis

        Serae hex nigrae BS communiter fasteners cum filis obsequuntur cum BS signis et superficiebus quae ne rubiginem subierint curationem. Sinae Xiaoguo® molem emptionis eorum accipit. Pretia nostra humiles sunt dum productorum qualitatem procurant. Vos iustus postulo indicare nobis requisita tua, et te dabimus accuratissime secundum necessitates tuas. Purchase is available at any time.
        Model:BS 916-1953

        Mitte Inquisitionem

        depictio producti

        BS hex nigra fulminafulmina sunt, quae vexillum parere cum Britannis BS 916-1953. Hoc genus fulminis late adhibetur. Utrum parvam item domi facit vel magnum apparatum in officinis congregans, specificationem invenire potes.


        Product Details et parametri

        Cum instrumento mechanico convocato in officinis;BS hex nigra fulminasæpe usus est. Ad magnum apparatum sicut instrumenta machinae et gruum, nexus partium firmissimum esse debet. Ideo talia fulmina eliguntur ut instrumentum stabiliter operetur, et non ob partes malfunction solvendi.


        In ambitu industriae, hoc fulmen normalem operationem lineae productionis efficere potest. Oxide coatings oleum ultrices prohibere potest. Machinationibus gravibus curare salutem possunt et impedire quominus clauderetur ob fulmina solvenda.


        DIY fanatici omnes quasi fulmina utuntur BS hei in garage. Sive cotes aedificat, instrumenta topiaria reficit, sive tormenta birota figens, omnia aptissima sunt. Superficies nigra perfecte cum superficie obscuro miscet. Nullum filum mismatch in dimensionibus BS erit.


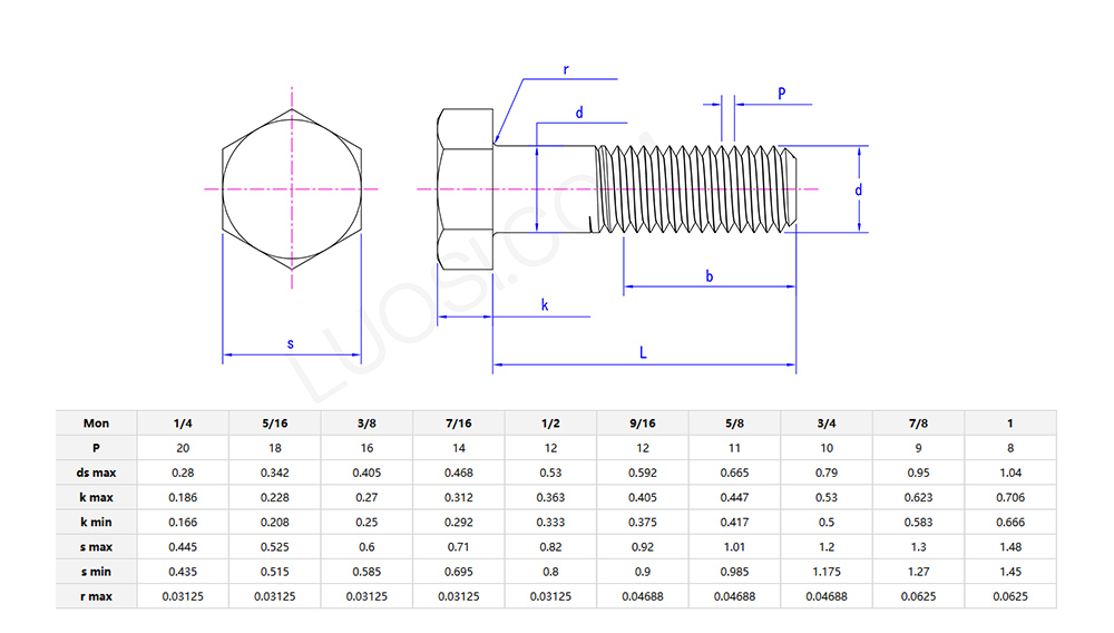
        BS black hex bolts parameters


        Applicationem sem

        BS hex nigra fulminahabet proprium corrosionis resistentia. Saepe in scamnis, idoneitate instrumenti et billboards velit, quae continenter elementis in hortis exponuntur. Adhiberi possunt diu neque proni sunt ad rubiginem et molestiam.


        Product Material

        BS Black Hex Repagula fiunt ex materiis quae durabilitatem et prudentiam ad usum communem adhibent. Frequentissima materia est chalybeus carbonarius, specie mediae chalybe. Hoc genus ferri librat vires et efficaciam sumptus, idoneos faciens ad applicationes industriales et cotidianas levissimas, sicut tabulas ligneas, uncis metallicis, vel partes machinis levibus. Ad missiones quae melius resistunt in ambitibus siccis corrosionibus indigent, nonnullae variantes ferro carbonii admixto utuntur. Materia primum processum fictorium percurrit, qui integritatem structurae suae auget, clausulas minus probabile facit flectere vel frangere cogente. Antequam adhuc processus, materia rudis ob defectus fundamentales sicut rimas vel inaequalitatem reprimitur. Hae electiones materiales in acie cum BS (British Latin) requiruntur, ut constantiam et constantiam ad usum regularem obtineant.

        Superficies productum curatio

        Curatio superficies BS Black Hex in clutis in tutelam et functionem intenditur. Praecipuum processus tunicae oxydatum nigrum est, quod etiam denigratio vocatur. Hoc involvit seras in solutione chemica tingens quae tenuem oxydatum stratum in superficie format. Praecipuum officium est lavandi impedire rubiginem in siccis vel in occasus tectis, quae vitam servitutem fulminis porrigere adiuvat. Addit etiam parvam indumenti resistentiam, clausuras in institutione cum convulsis utendo melius sustineat. Crassiores tunicae dissimiles, haec iacuit oxydatus fulmen apta nucibus vel foraminibus lina non afficit. Post denigrationem, seras penitus exsiccatas ad omnem umorem reliquum removendum, rubiginosum formationis periculum minuens. Haec curatio superficies simplex sed efficax est, congruens generalis-propositum horum fulminum sine multiplicitate extra.  

        Q&A Sessio

        Q: Quid est tempus plumbum pro mole ordinum BS Black Hex Bolts, et praestas gratuita officia specimen?

        Pro standard-sized BS Black Hex Bolts, plumbum tempus pro mole ordinum est dies 5-10 operantes, cum consuetudo specificationes 10-15 dies operantes, secundum ordinem volumen et complexionem. Liberum specimen praebemus operas pro omnibus BS Black Hex Bolts exempla - tantum opus est ut sumptus naves operiant. Unumquodque specimen cum iisdem materiis et processibus productionis cum mole ordinum conficitur, permittens te probare qualitatem et convenientiam ante ponens ordinem magnum.    



        Hot Tags: BS Black Hex Bolts, China, Manufacturer, Supplier, Factory
        Related Categoria
        Mitte Inquisitionem
        Libenter placet, ut inquisitionem tuam in forma infra exhibeas. Respondebimus tibi in 24 horis.
        X
        Crusulis utimur ut meliorem experientiam pasco tibi praebeamus, situm negotiationis et personalize contentus analyse. Hoc situ utendo, ad nostrum crustulorum usum consentis. Privacy Policy
        Reject Accipe