Home > Products > Nux > Manus stupra The Nux > Black Nickel Plating Rolling Nut
        Black Nickel Plating Rolling Nut
        • Black Nickel Plating Rolling NutBlack Nickel Plating Rolling Nut
        • Black Nickel Plating Rolling NutBlack Nickel Plating Rolling Nut

        Black Nickel Plating Rolling Nut

        Fons durabilis Niger Nickel Plating Partes Rolling Nut directe. Sicut princeps Sinarum Niger Nickel Plating Rolling Nucem officinas, XIAO GUO nuces facturas cum pila recirculating gestus minimarum frictionis, longae vitae, et capacitatis onus altum.

        Mitte Inquisitionem

        depictio producti

        Frequentissima electio est Black Nickel Plating Rolling Nut e ferro carbonii facta. Plerique chalybeum carbonis laminae zinci habent ut rubiginem auferant, quae bene ad usum tectis vel maculis velit obtectum operatur.

        Ad ambitus humidos vel usus velit, chalybs immaculata melior est optio. Contra umorem et corrosionem sustinet, etiam in locis salsis leviter circa oram. Aluminium versiones etiam habemus necessarias leves — plerumque in electronicis adhibitas, ubi graves partes perficiendi artificium afficere possent.

        Omnes materiae signa fundamentalia industriae conveniunt, nulla curationes extra necessarias. Ferrum carbonis ad operas diurnas collige, ferrum immaculatum pro locis humidis, aluminium pro levi officio. Black Nickel Plating Rolling Nut optiones materiales cooperiunt frequentissimas ecclesias communes necessitates, nullas opiniones additiones iustas electiones practicas.


        Superficies productum curatio

        Plate zinci est optio communissima. Processus fundamentalis est qui adiuvat ne rubiginem, bonum ad usum tectis vel maculae velit obductae. Extra crassitudinem non addit, ideo non afficit quomodo aptat nuces in schedae metallo durante institutione. Maxime cotidiano usu nuces cum hac curatione veniunt.

        Pro meliore resistentia corrosio, fovea calida est. Crassior quam regularis zinci plating est, ideo diutius in locis humidis vel locis tenui umore sustinet, sicut officinae circa litus. Nam incorrupta ferro nuces passivas curationes facimus - tantum facultatem rubiginis naturalem suae probationis sine aspectu mutando boosts.

        Nullae placebant hic tunicas, modo practicas. Colligunt zinci platani ad normas necessarias, intinge fovendo calidum ad ambitus humidos, et passiva ad exempla ferro immaculata. Negotiationes superficies Black Nickel Plating Rolling Nut sunt omnes circa praesidia fundamentalia, quae maxime convenit schedularum metallorum conventuum missionum frequentissimarum.

        Black Nickel Plating Rolling Nut

        Q&A Sessio

        Q: Possumne eam sine instrumentis professionalibus instituere?

        A: Minime, opus est instrumentum torcularis fundamentale vel machinae parvae riving. Percussio manualis non commendatur; stamina nucis laedet aut solvet. Ad parvas batches, manutentum instrumentum manuale diurnariis operatus est. Pro magnis ordinibus, machina torcularis latae efficacior est. Exempla etiam instrumentorum commendare possumus quae fructus nostros apti sunt si nondum unum ius habes.  

        Black Nickel Plating Rolling Nut



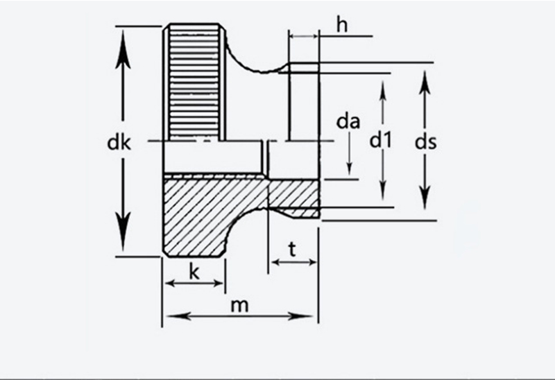
        magnitudine Pix Diameter exterior Altitudo k ds da d1 T h
        max min max min max min max min max
        M3 0.5  11  10.7  6.64  2.8  5.7  3.5  3.2  5.2  1.2 
        M4 0.7  12  11.7  7.64  7.64  4.5  4.2  6.4  2.5  1.5 
        M5 0.8  16  15.7  10  96.6  10  9.64  5.5  5.5 
        M6 20  19.7  12  11.6  12  11.6  6.56  6.2  11  2.5 
        M8 1.25  24  23.7  16  15.6  16  15.6  8.86  8.5  13 
        M10 1.5 30 29.7 20 19.5 8 20 19.5 10.9 10.5 17.2 6.5 3.8
        Hot Tags: Black Nickel Plating Rolling Nut, China, Manufacturer, Supplier, Factory
        Related Categoria
        Mitte Inquisitionem
        Libenter placet, ut inquisitionem tuam in forma infra exhibeas. Respondebimus tibi in 24 horis.
        X
        Crusulis utimur ut meliorem experientiam pasco tibi praebeamus, situm negotiationis et personalize contentus analyse. Hoc situ utendo, ad nostrum crustulorum usum consentis. Privacy Policy
        Reject Accipe