Home > Products > Bolt > Duodecim angulus fulmine > XII dentes Spline clutis cum LABIUM
        XII dentes Spline clutis cum LABIUM
        • XII dentes Spline clutis cum LABIUMXII dentes Spline clutis cum LABIUM
        • XII dentes Spline clutis cum LABIUMXII dentes Spline clutis cum LABIUM
        • XII dentes Spline clutis cum LABIUMXII dentes Spline clutis cum LABIUM

        XII dentes Spline clutis cum LABIUM

        XII fulmina dentium spline cum LABIUM saepe apta sunt ad incepta quae firma et anti-lapsi hospites requirunt. Meliora torques praebere potest et in tensis processu ne fulmina elabi possint. Claustra ab officina Xiaoguo® producta cum signo executioni parere MS 14157B-1978.

        Mitte Inquisitionem

        depictio producti

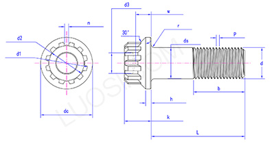
        Caput 12 dentium splinerum cum LABIUM designatur cum 12 dentibus, quae apte aptare possunt cum nervi spline aequante extorquent. In fundo suo LABIUM sicut gasket est, quod contactum aream cum materia connexa augere potest.


        Product Features

        12 dentes spline fulmina cum pluma flange unica structura 12 dentium spline plus LABIUM. Spline 12-dens plus vim praebet puncta applicationis, operationem strictiorem faciens ac subtilius ac laeve. Flanges pressionem discutiunt, nexum firmitatis augent et claustra ne laxent.


        Haec fulmina ad radicem venti turbine ferri possunt. Lamina fulmine centrifuga vis 20 talentorum subiecta est. Portare potest onera. Caput spline torquem hydraulicum 1,000 N·m sustinere potest. LABIUM radicem compositae materiae impedire potest ne propter micro-motus crepuerit. Singulis quinquenniis reponi debet, et quodlibet ferrum laesum quantum 250,000 dollariorum US constat.


        12 Dentes spline fulmina adaptare spline screwdrivers requirunt. Possunt torques ingentes sine detractione transmittere, longe superioribus sexangulis. In functionibus flangorum aedificatum similiter gasket, ut in additionibus componentibus servare potes. Valde idoneus est ad sustentationem gravium armorum.


        XII fulmina dentium spline in LABIUM non facile temptari. Plerique instrumenta spline non habent. Flanges fulmina sub vibratione fixa servare possunt et adhibentur in machinis publicis vel vestigiis ferriviariis ubi furti periculum est. Nam areas summus vibrationis (compressores, generatores), firmae esse possunt. Spline agitator non egreditur. LABIUM serratum bene superficiem mordere potest. Nulla densis washer non requiritur.

        Product parametri

        Mon 1/4 5/16 3/8 7/16 1/2 9/16 5/8 3/4 7/8
        P 28 24 24 20 20 18 18 16 14
        dc max 0.438 0.531 0.649 0.75 0.828 0.938 1.05 1.23 1.438
        dc min 0.428 0.521 0.639 0.74 0.818 0.928 1.04 1.22 1.428
        k max 0.26 0.322 0.347 0.403 0.46 0.515 0.572 0.61 0.71
        k min 0.25 0.312 0.337 0.393 0.45 0.505 0.562 0.6 0.7
        h max 0.055 0.071 0.079 0.092 0.112 0.122 0.133 0.165 0.19
        h min 0.035 0.051 0.059 0.072 0.092 0.102 0.113 0.145 0.17
        b min 0.55 0.638 0.708 0.803 0.878 0.97 1.04 1.201 1.367
        d3 max 0.19 0.225 0.27 0.33 0.39 0.45 0.51 0.58 0.66
        d3 min 0.15 0.185 0.23 0.29 0.35 0.41 0.47 0.54 0.62
        w min 0.135 0.162 0.197 0.228 0.254 0.289 0.327 0.38 0.438
        ds max 0.2495 0.312 0.3745 0.473 0.4995 0.5615 0.624 0.749 0.874
        ds min 0.2485 0.311 0.3735

        0.436

        0.4985 0.5605 0.623 0.748 0.873
        d1 max 0.381 0.456 0.531 0.679 0.753 0.828 0.901 1.124 1.27
        d1 min 0.373 0.447 0.522 0.668 0.742 0.817 0.89 1.112 1.258
        d2 max 0.324 0.389 0.455 0.585 0.651 0.717 0.782 0.978 1.107
        d2 min 0.318 0.383 0.448 0.578 0.644 0.711 0.774 0.97 1.099
        n max 0.037 0.043 0.05 0.061 0.068 0.073 0.079 0.097 0.108
        n min 0.031 0.037 0.043 0.054 0.06 0.065 0.071 0.088 0.099
        r max * 0.041 0.041 0.057 0.057 0.057 0.057 0.073 0.073 0.073
        r min 0.031 0.031 0.047 0.047 0.047 0.047 0.063 0.063 0.063

        12 teeth spline bolts with flange

        Hot Tags: XII dentes Spline clutis cum LABIUM, Sinis, Manufacturer, supplementum, Factory
        Related Categoria
        Mitte Inquisitionem
        Libenter placet, ut inquisitionem tuam in forma infra exhibeas. Respondebimus tibi in 24 horis.
        X
        Crusulis utimur ut meliorem experientiam pasco tibi praebeamus, situm negotiationis et personalize contentus analyse. Hoc situ utendo, ad nostrum crustulorum usum consentis. Privacy Policy
        Reject Accipe